ATZ1-13S
-
ATZ1-13S
-
ATZ1-01S
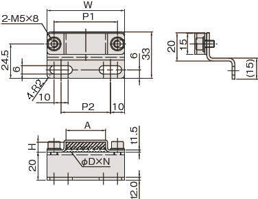
エアチューブを優しくはさんで簡単固定
・スポンジラバーによるクランプ構造で、エアチューブをつぶさずに様々なサイズを簡単固定。
・乱雑になりがちなレイアウトを改善しメンテナンス時に効果を発揮します。
・サドルとZ型の取付金具がセットになっています。
共通仕様
| 材質 | 本体:ステンレス(SUS304) スポンジ部:NRスポンジ(CRゴムコーティング) |
|---|---|
| 付属品 | 六角穴付ボルト:SUSXM7×2本 皿座金:SUS304×2個 |

