単体用
-
単体用
-
2連用
-
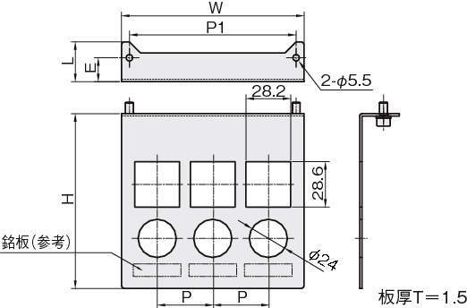
3連用
共通仕様
| 対応メーカー | SMC |
|---|---|
| 対応シリーズ | ARM10F-GP ARM10F-GPC |
| 材質 | ステンレス(SUS304) |
| 付属品 | 六角穴付ボルト(SUSXM7)M5×12 |
岩田製作所
単体用
単体用
2連用
3連用
| 対応メーカー | SMC |
|---|---|
| 対応シリーズ | ARM10F-GP ARM10F-GPC |
| 材質 | ステンレス(SUS304) |
| 付属品 | 六角穴付ボルト(SUSXM7)M5×12 |
3件の型式
| 型式 | タイプ | W | H | L | P | P1 | E |
|---|---|---|---|---|---|---|---|
| ARU1-01S | 単体用 | 45 | 110 | 25 | - | 35 | 15 |
| ARU2-01S | 2連用 | 80 | 110 | 25 | 35 | 70 | 15 |
| ARU3-01S | 3連用 | 115 | 110 | 25 | 35 | 105 | 15 |
| 型式 | 商品コード | 単位 |
価格 (円) |
基準納期 | |
|---|---|---|---|---|---|
| 日伝 | メーカー | ||||
| ARU1-01S | ARU1-01S | P | 700 | - | 在庫品 |
| ARU2-01S | ARU2-01S | P | 840 | - | 在庫品 |
| ARU3-01S | ARU3-01S | P | 960 | - | 在庫品 |
製品についてのご質問やお困りごとなどお気軽にご相談ください!