黒染め
-
黒染め
-
無電解ニッケルメッキ
-
SUS304
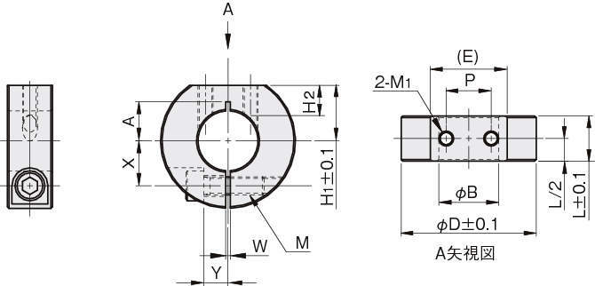
締結力の強いスリットタイプ。
・面で締め付けるため、スラスト力が強く、シャフトが傷が付きにくいタイプです。
シリーズ中最もバリエーションの豊富なタイプです。
・Dカット面を利用して、ブラケットなど様々な部品を取り付けることができます。
共通仕様
| 材質/表面処理 | SCS-CTN:鉄(S45C)/黒染め SCS-MTN:鉄(S45C)/無電解ニッケルメッキ SCS-STN:ステンレス(SUS304) |
|---|---|
| 付属品 | SCS-CTN:六角穴付ボルト(黒染め)1本 SCS-MTN・SCS-STN:六角穴付ボルト(SUSXM7)1本 |

