-
-
取付例
-
使用例
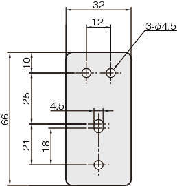
■画像センサカメラなどCCDカメラに合わせた取付ブラケットです。
■フレキシブルタイプと組み合わせでカメラを自由な位置に取り付けできます。
※カメラに付属の取付け台が必要となります。
※コネクターなどの干渉がないかご確認の上お選びください。
岩田製作所
取付例
使用例
■画像センサカメラなどCCDカメラに合わせた取付ブラケットです。
■フレキシブルタイプと組み合わせでカメラを自由な位置に取り付けできます。
※カメラに付属の取付け台が必要となります。
※コネクターなどの干渉がないかご確認の上お選びください。
1件の型式
| 型式 | 材質 | 対応取付ピッチ |
板厚 t (mm) |
質量 (g) |
|---|---|---|---|---|
| FSCCD-1S | SUS304 | M4-18~21P | 2.5 | 20 |
| 型式 | 商品コード | 単位 |
価格 (円) |
基準納期 | |
|---|---|---|---|---|---|
| 日伝 | メーカー | ||||
| FSCCD-1S | FSCCD-1S | P | 730 | - | 在庫品 |
製品についてのご質問やお困りごとなどお気軽にご相談ください!