SJE
-
SJE
-
SJG
共通仕様
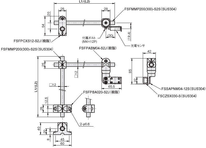
| 形状 | L型 |
|---|---|
| タイプ | SJE:φ12丸パイプ SJG :□12角パイプ |
| 対応センサ | SUNX:CX 山武:HPB オプテックスFA:Z オムロン:E3Z キーエンス:PZ |
| シャフト | 材質:ステンレス(SUS304)/#400研磨仕上げ 目盛:レーザーマーキング |
| ブラケット | ポリアミド(PA(66N)黒色) |

