黒染め
-
黒染め
-
SUS304
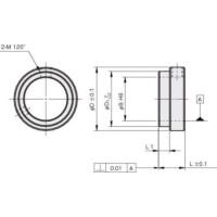
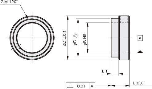
止めネジで取り付ける汎用タイプ。
・止めネジでシャフトを押さえて固定するセットカラーです。
・簡易的な位置決めなどで使用でき、シリーズ中、最もコンパクトなタイプです。
・ベアリングの内輪を押さえ固定します。
・ボス部の長いロングタイプです。
共通仕様
| 材質/表面処理 | SC-CLB:鉄(S45C)/黒染め SC-SLB:ステンレス(SUS304) |
|---|---|
| 付属品 | SC-CLB:六角穴付止めネジ(くぼみ先・黒染め)2本 SC-SLB:六角穴付止めネジ(くぼみ先・SUSXM7)2本 |

