3375-C
-
3375-C
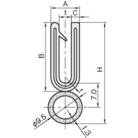
■トリムにクッション性のあるチューブを接着したトリムシールです。
■チューブ部は発砲スポンジとなっており扉部や防塵対策に最適です。
■チューブサイズ φ9.5mm
■接着剤不要のため簡単に取り付けができ、作業性に優れています。
岩田製作所
3375-C
3375-C
■トリムにクッション性のあるチューブを接着したトリムシールです。
■チューブ部は発砲スポンジとなっており扉部や防塵対策に最適です。
■チューブサイズ φ9.5mm
■接着剤不要のため簡単に取り付けができ、作業性に優れています。
10件の型式
| 型式 | タイプ |
基本板厚 (mm) |
対応板厚 (mm) |
A (mm) |
B (mm) |
C (mm) |
H (mm) |
t (mm) |
r (mm) |
長さ (m) |
材質 | 色 | 表面模様 | ||
|---|---|---|---|---|---|---|---|---|---|---|---|---|---|---|---|
| 本体 | 芯金 | チューブ | |||||||||||||
| S3375-B-3-32C | 3375-32C (定尺) | 3.2 | 2.3~4.0 | 7.8 | 19.0 | 2.3 | 28.4 | 3.2 | 3.9 | 75 | PVC | アルミ(A3004) | EPDMスポンジラバー | 黒 | 3 |
| 3375-B-3-32C | 3375-32C (定尺) | 3.2 | 2.3~4.0 | 7.8 | 19.0 | 2.3 | 28.4 | 3.2 | 3.9 | 15 | PVC | アルミ(A3004) | EPDMスポンジラバー | 黒 | 3 |
| S3375-B-3-64C | 3375-64C (定尺) | 6.4 | 6.0~7.0 | 11.0 | 17.5 | 2.3 | 26.9 | 6.4 | 3.3 | 75 | PVC | アルミ(A3004) | EPDMスポンジラバー | 黒 | 3 |
| 3375-B-3-64C | 3375-64C (定尺) | 6.4 | 6.0~7.0 | 11.0 | 17.5 | 2.3 | 26.9 | 6.4 | 3.3 | 15 | PVC | アルミ(A3004) | EPDMスポンジラバー | 黒 | 3 |
| S3375-B-3-80C | 3375-80C (定尺) | 8.0 | 7.0~8.5 | 12.6 | 16.7 | 2.3 | 26.1 | 8 | 3.3 | 75 | PVC | アルミ(A3004) | EPDMスポンジラバー | 黒 | 3 |
| 3375-B-3-80C | 3375-80C (定尺) | 8.0 | 7.0~8.5 | 12.6 | 16.7 | 2.3 | 26.1 | 8 | 3.3 | 15 | PVC | アルミ(A3004) | EPDMスポンジラバー | 黒 | 3 |
| S3375-B-3-95C | 3375-95C (定尺) | 9.5 | 9.0~9.5 | 14.1 | 15.9 | 2.3 | 25.3 | 9.5 | 3.3 | 75 | PVC | アルミ(A3004) | EPDMスポンジラバー | 黒 | 3 |
| 3375-B-3-95C | 3375-95C (定尺) | 9.5 | 9.0~9.5 | 14.1 | 15.9 | 2.3 | 25.3 | 9.5 | 3.3 | 15 | PVC | アルミ(A3004) | EPDMスポンジラバー | 黒 | 3 |
| S3375-B-3-127C | 3375-127C (定尺) | 12.7 | 12.0~12.7 | 17.3 | 14.6 | 2.3 | 24 | 12.7 | 3.3 | 75 | PVC | アルミ(A3004) | EPDMスポンジラバー | 黒 | 3 |
| 3375-B-3-127C | 3375-127C (定尺) | 12.7 | 12.0~12.7 | 17.3 | 14.6 | 2.3 | 24 | 12.7 | 3.3 | 15 | PVC | アルミ(A3004) | EPDMスポンジラバー | 黒 | 3 |
| 型式 | 商品コード | 単位 |
価格 (円) |
基準納期 | |
|---|---|---|---|---|---|
| 日伝 | メーカー | ||||
| S3375-B-3-32C | S3375-B-3-32C | P | 101,100 | - | 在庫品 |
| 3375-B-3-32C | 3375-B-3-32C | P | 22,600 | - | 在庫品 |
| S3375-B-3-64C | S3375-B-3-64C | P | 101,100 | - | 在庫品 |
| 3375-B-3-64C | 3375-B-3-64C | P | 22,600 | - | 在庫品 |
| S3375-B-3-80C | S3375-B-3-80C | P | 101,100 | - | 在庫品 |
| 3375-B-3-80C | 3375-B-3-80C | P | 22,600 | - | 在庫品 |
| S3375-B-3-95C | S3375-B-3-95C | P | 101,100 | - | 在庫品 |
| 3375-B-3-95C | 3375-B-3-95C | P | 22,600 | - | 在庫品 |
| S3375-B-3-127C | S3375-B-3-127C | P | 101,100 | - | 在庫品 |
| 3375-B-3-127C | 3375-B-3-127C | P | 22,600 | - | 在庫品 |
製品についてのご質問やお困りごとなどお気軽にご相談ください!