モノづくりの困ったを解決する総合サイト

Produced by

岩田製作所

リニアストッパー|位置決め用 LSDN-N

主要直動メーカーのガイドレールのストッパーを標準化

・ストッパーボルトやストッパーブロックなどと組み合わせ、精密な位置調整が可能。
・位置決めに便利なノックピン付。

#リニアストッパー

共通仕様

材質/表面処理 LSDN-N:鉄(SS400)/黒染め
LSDN-SN:ステンレス(SUS304)
付属品 LSDN-N:六角穴付ボルト(SCM435/黒染め) 2本、ノックピンm6(SUJ2) 2本
LSDN-SN:六角穴付ボルト(SUSXM7) 2本、ノックピンm6(SUJ2) 2本

CADメーカーTOP

詳細仕様

  • 22件中 1-10件

  • 表示件数

22件の型式

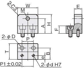
型式 材質/表面処理 対応サイズ 対応シリーズ W H A B E F P P1 e T M
(細目)
D d 付属
IKO NSK THK ボルト ノックピン
LSDN-01N 鉄(SS400)/黒染め 15 - - SRS15M 32 30 23.5 18 12 12 16 16 6 25 M6×P0.75 5.5 4×6 M5×12 4×10
LSDN-02N 鉄(SS400)/黒染め 15 LWH15 LS15AL HSR15A 32 38 31.5 18 12 12 16 16 6 25 M6×P0.75 5.5 4×6 M5×12 4×10
LSDN-03N 鉄(SS400)/黒染め 15 - LH15AN - 32 43 35.5 18 12 12 16 16 6 25 M6×P0.75 5.5 4×6 M5×12 4×10
LSDN-04N 鉄(SS400)/黒染め 20 - - SRS20M 32 35 27.5 18 12 12 16 16 6 25 M8×P1.0 5.5 4×6 M5×12 4×10
LSDN-05N 鉄(SS400)/黒染め 20 - LS20AL - 32 43 35.5 18 12 12 16 16 6 25 M8×P1.0 5.5 4×6 M5×12 4×10
LSDN-06N 鉄(SS400)/黒染め 20 LWH20 LH20AN HSR20A 32 45 37.5 18 12 12 16 16 6 25 M8×P1.0 5.5 4×6 M5×12 4×10
LSDN-07N 鉄(SS400)/黒染め 25 - - SRS25M 32 40 32.5 23 12 12 18 18 6 32 M8×P1.0 6.6 4×6 M6×12 4×10
LSDN-08N 鉄(SS400)/黒染め 25 - LS25AL - 32 50 40.5 23 12 12 18 18 6 32 M8×P1.0 6.6 4×6 M6×12 4×10
LSDN-09N 鉄(SS400)/黒染め 25 LWH25 LH25AL HSR25A 32 50 43.5 23 12 12 18 18 6 32 M8×P1.0 6.6 4×6 M6×12 4×10
LSDN-10N 鉄(SS400)/黒染め 30 LWH30 LS30AL・LH30AL HSR30A 38 57 49.5 28 16 16 20 20 8 38 M8×P1.0 9.0 5×8 M8×16 5×12

型式 商品コード 単位 価格
(円)
基準納期
日伝 メーカー
LSDN-01N LSDN-01N P 1,970 - 在庫品
LSDN-02N LSDN-02N P 1,970 - 在庫品
LSDN-03N LSDN-03N P 2,040 - 在庫品
LSDN-04N LSDN-04N P 1,970 - 在庫品
LSDN-05N LSDN-05N P 2,040 - 在庫品
LSDN-06N LSDN-06N P 2,040 - 在庫品
LSDN-07N LSDN-07N P 2,040 - 在庫品
LSDN-08N LSDN-08N P 2,170 - 在庫品
LSDN-09N LSDN-09N P 2,170 - 在庫品
LSDN-10N LSDN-10N P 2,550 - 在庫品

この製品を見た人はこのような製品も見ています

1952年設立で、動力伝導機器・産業機器・制御機器等の機械設備及び機械器具関連製品の販売をしている専門総合商社です。
日本国内で40以上の拠点を持ち、信頼性の高い製品と技術力で、全国のものづくりに携わる方々のあらゆるお困りごとを解決しています。

Loading...