共通仕様
| 材質/表面処理 | LSCN-N:鉄(SS400)/黒染め LSCN-SN:ステンレス(SUS304) |
|---|---|
| 付属品 | LSCN-N:六角穴付ボルト(SCM435/黒染め) 2本、ノックピンm6(SUJ2) 2本 LSCN-SN:六角穴付ボルト(SUSXM7) 2本、ノックピンm6(SUJ2) 2本 |
岩田製作所
| 材質/表面処理 | LSCN-N:鉄(SS400)/黒染め LSCN-SN:ステンレス(SUS304) |
|---|---|
| 付属品 | LSCN-N:六角穴付ボルト(SCM435/黒染め) 2本、ノックピンm6(SUJ2) 2本 LSCN-SN:六角穴付ボルト(SUSXM7) 2本、ノックピンm6(SUJ2) 2本 |
22件の型式
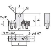
| 型式 | 材質/表面処理 | 対応サイズ | 対応シリーズ | W | H | A | B | J | P | P1 | T |
M (細目) |
D | d | 付属 | |||
|---|---|---|---|---|---|---|---|---|---|---|---|---|---|---|---|---|---|---|
| IKO | NSK | THK | ボルト | ノックピン | ||||||||||||||
| LSCN-01N | 鉄(SS400)/黒染め | 15 | - | - | SRS15M | 50 | 30 | 23.5 | 12 | 18 | 35 | 18 | 12 | M6×P0.75 | 5.5 | 4×6 | M5×16 | 4×10 |
| LSCN-02N | 鉄(SS400)/黒染め | 15 | LWH15 | LS15AL | HSR15A | 50 | 38 | 31.5 | 12 | 18 | 35 | 18 | 12 | M6×P0.75 | 5.5 | 4×6 | M5×16 | 4×10 |
| LSCN-03N | 鉄(SS400)/黒染め | 15 | - | LH15AN | - | 50 | 43 | 35.5 | 12 | 18 | 35 | 18 | 12 | M6×P0.75 | 5.5 | 4×6 | M5×16 | 4×10 |
| LSCN-04N | 鉄(SS400)/黒染め | 20 | - | - | SRS20M | 50 | 35 | 27.5 | 12 | 20 | 35 | 18 | 12 | M8×P1.0 | 5.5 | 4×6 | M5×16 | 4×10 |
| LSCN-05N | 鉄(SS400)/黒染め | 20 | - | LS20AL | - | 50 | 43 | 35.5 | 12 | 20 | 35 | 18 | 12 | M8×P1.0 | 5.5 | 4×6 | M5×16 | 4×10 |
| LSCN-06N | 鉄(SS400)/黒染め | 20 | LWH20 | LH20AN | HSR20A | 50 | 45 | 37.5 | 12 | 20 | 35 | 18 | 12 | M8×P1.0 | 5.5 | 4×6 | M5×16 | 4×10 |
| LSCN-07N | 鉄(SS400)/黒染め | 25 | - | - | SRS25M | 50 | 40 | 32.5 | 16 | 20 | 35 | 18 | 16 | M8×P1.0 | 6.6 | 4×6 | M6×20 | 4×10 |
| LSCN-08N | 鉄(SS400)/黒染め | 25 | - | LS25AL | - | 50 | 48 | 40.5 | 16 | 20 | 35 | 18 | 16 | M8×P1.0 | 6.6 | 4×6 | M6×20 | 4×10 |
| LSCN-09N | 鉄(SS400)/黒染め | 25 | LWH25 | LH25AL | HSR25A | 50 | 51 | 43.5 | 16 | 20 | 35 | 18 | 16 | M8×P1.0 | 6.6 | 4×6 | M6×20 | 4×10 |
| LSCN-10N | 鉄(SS400)/黒染め | 30 | LWH30 | LS30AL・LH30AL | HSR30A | 65 | 57 | 49.5 | 16 | 24 | 45 | 20 | 16 | M8×P1.0 | 9.0 | 5×8 | M8×20 | 5×12 |
| 型式 | 商品コード | 単位 |
価格 (円) |
基準納期 | |
|---|---|---|---|---|---|
| 日伝 | メーカー | ||||
| LSCN-01N | LSCN-01N | P | 2,110 | - | 在庫品 |
| LSCN-02N | LSCN-02N | P | 2,110 | - | 在庫品 |
| LSCN-03N | LSCN-03N | P | 2,170 | - | 在庫品 |
| LSCN-04N | LSCN-04N | P | 2,110 | - | 在庫品 |
| LSCN-05N | LSCN-05N | P | 2,170 | - | 在庫品 |
| LSCN-06N | LSCN-06N | P | 2,230 | - | 在庫品 |
| LSCN-07N | LSCN-07N | P | 2,290 | - | 在庫品 |
| LSCN-08N | LSCN-08N | P | 2,370 | - | 在庫品 |
| LSCN-09N | LSCN-09N | P | 2,370 | - | 在庫品 |
| LSCN-10N | LSCN-10N | P | 2,490 | - | 在庫品 |
製品についてのご質問やお困りごとなどお気軽にご相談ください!