共通仕様
| 材質/表面処理 | LSFN:鉄(SS400)/黒染め LSFN-S:ステンレス(SUS304) |
|---|---|
| 付属品 | LSFN:六角穴付ボルト(SCM435/黒染め) 2本 LSFN-S:六角穴付ボルト(SUSXM7) 2本 |
岩田製作所
| 材質/表面処理 | LSFN:鉄(SS400)/黒染め LSFN-S:ステンレス(SUS304) |
|---|---|
| 付属品 | LSFN:六角穴付ボルト(SCM435/黒染め) 2本 LSFN-S:六角穴付ボルト(SUSXM7) 2本 |
14件の型式
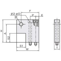
| 型式 | 材質/表面処理 | 対応サイズ | 対応シリーズ | W | H | A | E | F | S1 | S2 | P | T |
M (細目) |
D |
付属 ボルト |
||
|---|---|---|---|---|---|---|---|---|---|---|---|---|---|---|---|---|---|
| IKO | NSK | THK | |||||||||||||||
| LSFN-01 | 鉄(SS400)/黒染め | 15 | - | - | SRS15M | 44 | 30 | 23.5 | 7 | 37 | 15 | 11 | 16 | 12 | M6×P0.75 | 5.5 | M5×35 |
| LSFN-02 | 鉄(SS400)/黒染め | 15・25 | LWH15 | LS15AL・LH15AN | HSR15A・SRS25M | 44 | 38 | 31.5 | 7 | 37 | 15 | 16 | 16 | 12 | M6×P0.75 | 5.5 | M5×40 |
| LSFN-03 | 鉄(SS400)/黒染め | 20 | - | - | SRS20M | 44 | 35 | 27.5 | 7 | 37 | 17.5 | 12 | 12 | 12 | M8×P1.0 | 5.5 | M5×40 |
| LSFN-04 | 鉄(SS400)/黒染め | 20 | LWH20 | LS20AL・LH20AN | HSR20A | 44 | 50 | 37.5 | 7 | 37 | 17.5 | 19 | 12 | 12 | M8×P1.0 | 5.5 | M5×55 |
| LSFN-05 | 鉄(SS400)/黒染め | 25 | LWH25 | LS25AL・LH25AL | HSR25A | 44 | 50 | 43.5 | 7 | 37 | 19 | 23 | 12 | 16 | M8×P1.0 | 6.6 | M6×55 |
| LSFN-06 | 鉄(SS400)/黒染め | 30 | LWH30 | LS30AL・LH30AL | HSR30A | 65 | 65 | 49.5 | 10 | 54.5 | 25 | 27 | 20 | 16 | M8×P1.0 | 9.0 | M8×70 |
| LSFN-07 | 鉄(SS400)/黒染め | 35 | LWH35 | LS35AL・LH35AL | HSR35A | 65 | 65 | 55.5 | 10 | 54.5 | 28 | 30 | 20 | 16 | M8×P1.0 | 9.0 | M8×70 |
| LSFN-01S | ステンレス(SUS304) | 15 | - | - | SRS15M | 44 | 30 | 23.5 | 7 | 37 | 15 | 11 | 16 | 12 | M6×P0.75 | 5.5 | M5×35 |
| LSFN-02S | ステンレス(SUS304) | 15・25 | LWH15 | LS15AL・LH15AN | HSR15A・SRS25M | 44 | 38 | 31.5 | 7 | 37 | 15 | 16 | 16 | 12 | M6×P0.75 | 5.5 | M5×40 |
| LSFN-03S | ステンレス(SUS304) | 20 | - | - | SRS20M | 44 | 35 | 27.5 | 7 | 37 | 17.5 | 12 | 12 | 12 | M8×P1.0 | 5.5 | M5×40 |
| 型式 | 商品コード | 単位 |
価格 (円) |
基準納期 | |
|---|---|---|---|---|---|
| 日伝 | メーカー | ||||
| LSFN-01 | LSFN-01 | P | 1,350 | - | 在庫品 |
| LSFN-02 | LSFN-02 | P | 1,410 | - | 在庫品 |
| LSFN-03 | LSFN-03 | P | 1,410 | - | 在庫品 |
| LSFN-04 | LSFN-04 | P | 1,470 | - | 在庫品 |
| LSFN-05 | LSFN-05 | P | 1,600 | - | 在庫品 |
| LSFN-06 | LSFN-06 | P | 1,920 | - | 在庫品 |
| LSFN-07 | LSFN-07 | P | 1,920 | - | 在庫品 |
| LSFN-01S | LSFN-01S | P | 2,290 | - | 在庫品 |
| LSFN-02S | LSFN-02S | P | 2,550 | - | 在庫品 |
| LSFN-03S | LSFN-03S | P | 2,550 | - | 在庫品 |
製品についてのご質問やお困りごとなどお気軽にご相談ください!