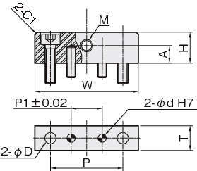
形状:1
-
形状:1
-
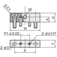
形状:2
共通仕様
| 材質/表面処理 | LSZ-N:鉄(SS400)/黒染め LSZ-SN:ステンレス(SUS304) |
|---|---|
| 付属品 | LSZ-N:六角穴付ボルト(SCM435/黒染め) 2本、ノックピンm6(SUJ2) 2本 LSZ-SN:六角穴付ボルト(SUSXM7) 2本、ノックピンm6(SUJ2) 2本 |
岩田製作所
形状:1
形状:1
形状:2
| 材質/表面処理 | LSZ-N:鉄(SS400)/黒染め LSZ-SN:ステンレス(SUS304) |
|---|---|
| 付属品 | LSZ-N:六角穴付ボルト(SCM435/黒染め) 2本、ノックピンm6(SUJ2) 2本 LSZ-SN:六角穴付ボルト(SUSXM7) 2本、ノックピンm6(SUJ2) 2本 |
18件の型式
| 型式 | 材質/表面処理 | 対応サイズ | 対応シリーズ | 形状 | W | H | A | B | J | P | P1 | T |
M (細目) |
D | d | 付属 | |||
|---|---|---|---|---|---|---|---|---|---|---|---|---|---|---|---|---|---|---|---|
| IKO | NSK | THK | ボルト | ノックピン | |||||||||||||||
| LSZ-01N | 鉄(SS400)/黒染め | 15 | - | - | SRS15M | 1 | 50 | 15 | 8.5 | - | - | 35 | 18 | 12 | M6×P0.75 | 5.5 | 4×6 | M5×16 | 4×10 |
| LSZ-02N | 鉄(SS400)/黒染め | 15 | LWH15 | LS15AL | HSR15A | 2 | 50 | 22 | 15.5 | 12 | 18 | 35 | 18 | 12 | M6×P0.75 | 5.5 | 4×6 | M5×16 | 4×10 |
| LSZ-03N | 鉄(SS400)/黒染め | 15・20 | LWH20 | LH15AN・LS20AL・LH20AN | HSR20A | 2 | 50 | 26 | 19.5 | 12 | 18 | 35 | 18 | 12 | M6×P0.75 | 5.5 | 4×6 | M5×16 | 4×10 |
| LSZ-04N | 鉄(SS400)/黒染め | 20 | - | - | SRS20M | 1 | 50 | 18 | 10.0 | - | - | 35 | 18 | 12 | M8×P1.0 | 5.5 | 4×6 | M5×20 | 4×10 |
| LSZ-05N | 鉄(SS400)/黒染め | 25 | - | - | SRS25M | 2 | 50 | 23 | 15.0 | 12 | 20 | 35 | 18 | 16 | M8×P1.0 | 6.6 | 4×6 | M6×16 | 4×10 |
| LSZ-06N | 鉄(SS400)/黒染め | 25 | - | LS25AL | - | 2 | 50 | 31 | 23.0 | 12 | 20 | 35 | 18 | 16 | M8×P1.0 | 6.6 | 4×6 | M6×16 | 4×10 |
| LSZ-07N | 鉄(SS400)/黒染め | 25 | LWH25 | LH25AL | HSR25A | 2 | 50 | 34 | 26.0 | 12 | 20 | 35 | 18 | 16 | M8×P1.0 | 6.6 | 4×6 | M6×16 | 4×10 |
| LSZ-08N | 鉄(SS400)/黒染め | 30 | LWH30 | LS30AL・LH30AL | HSR30A | 2 | 65 | 40 | 32.0 | 16 | 24 | 45 | 20 | 16 | M8×P1.0 | 9.0 | 5×8 | M8×20 | 5×12 |
| LSZ-09N | 鉄(SS400)/黒染め | 35 | LWH35 | LS35AL・LH35AL | HSR35A | 2 | 65 | 46 | 38.0 | 16 | 24 | 45 | 20 | 16 | M8×P1.0 | 9.0 | 5×8 | M8×20 | 5×12 |
| LSZ-01SN | ステンレス(SUS304) | 15 | - | - | SRS15M | 1 | 50 | 15 | 8.5 | - | - | 35 | 18 | 12 | M6×P0.75 | 5.5 | 4×6 | M5×16 | 4×10 |
| 型式 | 商品コード | 単位 |
価格 (円) |
基準納期 | |
|---|---|---|---|---|---|
| 日伝 | メーカー | ||||
| LSZ-01N | LSZ-01N | P | 1,350 | - | 在庫品 |
| LSZ-02N | LSZ-02N | P | 1,790 | - | 在庫品 |
| LSZ-03N | LSZ-03N | P | 1,790 | - | 在庫品 |
| LSZ-04N | LSZ-04N | P | 1,350 | - | 在庫品 |
| LSZ-05N | LSZ-05N | P | 1,970 | - | 在庫品 |
| LSZ-06N | LSZ-06N | P | 1,970 | - | 在庫品 |
| LSZ-07N | LSZ-07N | P | 1,970 | - | 在庫品 |
| LSZ-08N | LSZ-08N | P | 2,420 | - | 在庫品 |
| LSZ-09N | LSZ-09N | P | 2,420 | - | 在庫品 |
| LSZ-01SN | LSZ-01SN | P | 1,920 | - | 在庫品 |
製品についてのご質問やお困りごとなどお気軽にご相談ください!