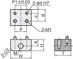
形状:1
-
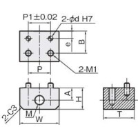
形状:1
-
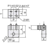
形状:2
共通仕様
| 材質/表面処理 | LSW-N:鉄(SS400)/黒染め LSW-SN:ステンレス(SUS304) |
|---|---|
| 付属品 | ノックピンm6(SUJ2) 2本 |
岩田製作所
形状:1
形状:1
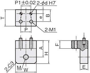
形状:2
| 材質/表面処理 | LSW-N:鉄(SS400)/黒染め LSW-SN:ステンレス(SUS304) |
|---|---|
| 付属品 | ノックピンm6(SUJ2) 2本 |
18件の型式
| 型式 | 材質/表面処理 | 対応サイズ | 対応シリーズ | 形状 | W | H | A | B | E | F | P | P1 | e | T |
M (細目) |
M1 | d |
付属 ノックピン |
||
|---|---|---|---|---|---|---|---|---|---|---|---|---|---|---|---|---|---|---|---|---|
| IKO | NSK | THK | ||||||||||||||||||
| LSW-01N | 鉄(SS400)/黒染め | 15 | - | - | SRS15M | 1 | 32 | 15.0 | 8.5 | 13 | - | - | 16 | 16 | 4 | 19 | M6×P0.75 | M5×10 | 4×6 | 4×10 |
| LSW-02N | 鉄(SS400)/黒染め | 15 | LWH15 | LS15AL | HSR15A | 2 | 32 | 22.0 | 15.5 | 18 | 12 | 8 | 16 | 16 | 6 | 25 | M6×P0.75 | M5 | 4×6 | 4×10 |
| LSW-03N | 鉄(SS400)/黒染め | 15・20 | LWH20 | LH15AN・LS20AL・LH20AN | HSR20A | 2 | 32 | 26.0 | 19.5 | 18 | 12 | 12 | 16 | 16 | 6 | 25 | M6×P0.75 | M5 | 4×6 | 4×10 |
| LSW-04N | 鉄(SS400)/黒染め | 20 | - | - | SRS20M | 1 | 32 | 17.5 | 10.0 | 18 | - | - | 16 | 16 | 6 | 25 | M8×P1.0 | M5×10 | 4×6 | 4×10 |
| LSW-05N | 鉄(SS400)/黒染め | 25 | - | - | SRS25M | 1 | 32 | 22.5 | 15.0 | 18 | - | - | 18 | 18 | 6 | 25 | M8×P1.0 | M6×12 | 4×6 | 4×10 |
| LSW-06N | 鉄(SS400)/黒染め | 25 | - | LS25AL | - | 2 | 32 | 31.0 | 23.0 | 23 | 12 | 12 | 18 | 18 | 6 | 32 | M8×P1.0 | M6 | 4×6 | 4×10 |
| LSW-07N | 鉄(SS400)/黒染め | 25 | LWH25 | LH25AL | HSR25A | 2 | 32 | 34.0 | 26.0 | 23 | 12 | 12 | 18 | 18 | 6 | 32 | M8×P1.0 | M6 | 4×6 | 4×10 |
| LSW-08N | 鉄(SS400)/黒染め | 30 | LWH30 | LS30AL・LH30AL | HSR30A | 2 | 38 | 40.0 | 32.0 | 28 | 16 | 16 | 20 | 20 | 8 | 38 | M8×P1.0 | M8 | 5×8 | 5×12 |
| LSW-09N | 鉄(SS400)/黒染め | 35 | LWH35 | LS35AL・LH35AL | HSR35A | 2 | 45 | 46.0 | 38.0 | 31 | 16 | 16 | 25 | 25 | 8 | 45 | M8×P1.0 | M8 | 5×8 | 5×12 |
| LSW-01SN | ステンレス(SUS304) | 15 | - | - | SRS15M | 1 | 32 | 15.0 | 8.5 | 13 | - | - | 16 | 16 | 4 | 19 | M6×P0.75 | M5×10 | 4×6 | 4×10 |
| 型式 | 商品コード | 単位 |
価格 (円) |
基準納期 | |
|---|---|---|---|---|---|
| 日伝 | メーカー | ||||
| LSW-01N | LSW-01N | P | 1,350 | - | 在庫品 |
| LSW-02N | LSW-02N | P | 1,670 | - | 在庫品 |
| LSW-03N | LSW-03N | P | 1,670 | - | 在庫品 |
| LSW-04N | LSW-04N | P | 1,410 | - | 在庫品 |
| LSW-05N | LSW-05N | P | 1,470 | - | 在庫品 |
| LSW-06N | LSW-06N | P | 1,850 | - | 在庫品 |
| LSW-07N | LSW-07N | P | 1,850 | - | 在庫品 |
| LSW-08N | LSW-08N | P | 2,110 | - | 在庫品 |
| LSW-09N | LSW-09N | P | 2,930 | - | 在庫品 |
| LSW-01SN | LSW-01SN | P | 1,600 | - | 在庫品 |
製品についてのご質問やお困りごとなどお気軽にご相談ください!