共通仕様
| 材質/表面処理 | LSV-N:鉄(SS400)/黒染め LSV-SN:ステンレス(SUS304) |
|---|---|
| 付属品 | ノックピンm6(SUJ2) 2本 |
岩田製作所
| 材質/表面処理 | LSV-N:鉄(SS400)/黒染め LSV-SN:ステンレス(SUS304) |
|---|---|
| 付属品 | ノックピンm6(SUJ2) 2本 |
18件の型式
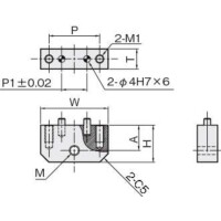
| 型式 | 材質/表面処理 | 対応サイズ | 対応シリーズ | W | H | A | P | P1 | T |
M (細目) |
M1 |
付属 ノックピン |
||
|---|---|---|---|---|---|---|---|---|---|---|---|---|---|---|
| IKO | NSK | THK | ||||||||||||
| LSV-01N | 鉄(SS400)/黒染め | 15 | - | - | SRS15M | 40 | 15 | 8.5 | 30 | 15 | 12 | M6×P0.75 | M5×10 | 4×10 |
| LSV-02N | 鉄(SS400)/黒染め | 15 | LWH15 | LS15AL | HSR15A | 40 | 22 | 15.0 | 30 | 15 | 12 | M6×P0.75 | M5×10 | 4×10 |
| LSV-03N | 鉄(SS400)/黒染め | 15・20 | LWH20 | LH15AN・LS20AL・LH20AN | HSR20A | 40 | 26 | 19.0 | 30 | 15 | 12 | M6×P0.75 | M5×10 | 4×10 |
| LSV-04N | 鉄(SS400)/黒染め | 20 | - | - | SRS20M | 40 | 18 | 10.0 | 30 | 15 | 12 | M8×P1.0 | M5×10 | 4×10 |
| LSV-05N | 鉄(SS400)/黒染め | 25 | - | - | SRS25M | 40 | 23 | 15.0 | 30 | 15 | 16 | M8×P1.0 | M6×12 | 4×10 |
| LSV-06N | 鉄(SS400)/黒染め | 25 | - | LS25AL | - | 40 | 31 | 23.0 | 30 | 15 | 16 | M8×P1.0 | M6×12 | 4×10 |
| LSV-07N | 鉄(SS400)/黒染め | 25 | LWH25 | LH25AL | HSR25A | 40 | 34 | 26.0 | 30 | 15 | 16 | M8×P1.0 | M6×12 | 4×10 |
| LSV-08N | 鉄(SS400)/黒染め | 30 | LWH30 | LS30AL・LH30AL | HSR30A | 50 | 40 | 32.0 | 35 | 15 | 16 | M8×P1.0 | M8×16 | 4×10 |
| LSV-09N | 鉄(SS400)/黒染め | 35 | LWH35 | LS35AL・LH35AL | HSR35A | 50 | 46 | 38.0 | 35 | 15 | 16 | M8×P1.0 | M8×16 | 4×10 |
| LSV-01SN | ステンレス(SUS304) | 15 | - | - | SRS15M | 40 | 15 | 8.5 | 30 | 15 | 12 | M6×P0.75 | M5×10 | 4×10 |
| 型式 | 商品コード | 単位 |
価格 (円) |
基準納期 | |
|---|---|---|---|---|---|
| 日伝 | メーカー | ||||
| LSV-01N | LSV-01N | P | 1,020 | - | 在庫品 |
| LSV-02N | LSV-02N | P | 1,210 | - | 在庫品 |
| LSV-03N | LSV-03N | P | 1,210 | - | 在庫品 |
| LSV-04N | LSV-04N | P | 1,020 | - | 在庫品 |
| LSV-05N | LSV-05N | P | 1,350 | - | 在庫品 |
| LSV-06N | LSV-06N | P | 1,350 | - | 在庫品 |
| LSV-07N | LSV-07N | P | 1,350 | - | 在庫品 |
| LSV-08N | LSV-08N | P | 1,600 | - | 在庫品 |
| LSV-09N | LSV-09N | P | 1,600 | - | 在庫品 |
| LSV-01SN | LSV-01SN | P | 1,350 | - | 在庫品 |
製品についてのご質問やお困りごとなどお気軽にご相談ください!