共通仕様
| 材質/表面処理 | LSDU:鉄(SS400)/黒染め LSDU-S:ステンレス(SUS304) |
|---|---|
| 付属品 | LSDU:六角穴付ボルト(SCM435/黒染め) 2本、SBU ウレタン 1個 LSDU-S:六角穴付ボルト(SUSXM7) 2本、SBU ウレタン 1個 |
岩田製作所
| 材質/表面処理 | LSDU:鉄(SS400)/黒染め LSDU-S:ステンレス(SUS304) |
|---|---|
| 付属品 | LSDU:六角穴付ボルト(SCM435/黒染め) 2本、SBU ウレタン 1個 LSDU-S:六角穴付ボルト(SUSXM7) 2本、SBU ウレタン 1個 |
12件の型式
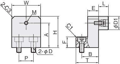
| 型式 | 材質/表面処理 | 対応サイズ | 対応シリーズ | W | H | A | B | E | F | P | T | M | D |
付属 ボルト |
D1 | L | ||
|---|---|---|---|---|---|---|---|---|---|---|---|---|---|---|---|---|---|---|
| IKO | NSK | THK | ||||||||||||||||
| LSDU-01 | 鉄(SS400)/黒染め | 15・20 | - | - | SRS15M・SRS20M | 32 | 30 | 22.5 | 18 | 12 | 12 | 16 | 25 | M4 | 5.5 | M5×12 | 15 | 11 |
| LSDU-02 | 鉄(SS400)/黒染め | 15・25 | LWH15 | LS15AL | HSR15A・SRS25M | 32 | 38 | 30.5 | 18 | 12 | 12 | 16 | 25 | M4 | 5.5 | M5×12 | 15 | 11 |
| LSDU-03 | 鉄(SS400)/黒染め | 15・20 | LWH20 | LH15AN・LS20AL・LS20AN | HSR20A | 32 | 45 | 35.0 | 18 | 12 | 12 | 16 | 25 | M5 | 5.5 | M5×12 | 20 | 13 |
| LSDU-04 | 鉄(SS400)/黒染め | 25 | LWH25 | LS25AL・LH25AL | HSR25A | 32 | 50 | 40.0 | 23 | 12 | 12 | 18 | 32 | M5 | 6.6 | M6×12 | 20 | 13 |
| LSDU-05 | 鉄(SS400)/黒染め | 30 | LWH30 | LS30AL・LH30AL | HSR30A | 38 | 57 | 44.5 | 28 | 16 | 16 | 20 | 38 | M5 | 9.0 | M8×16 | 25 | 13 |
| LSDU-06 | 鉄(SS400)/黒染め | 35 | LWH35 | LS35AL・LH35AL | HSR35A | 45 | 63 | 50.5 | 31 | 16 | 16 | 25 | 45 | M5 | 9.0 | M8×16 | 25 | 13 |
| LSDU-01S | ステンレス(SUS304) | 15・20 | - | - | SRS15M・SRS20M | 32 | 30 | 22.5 | 18 | 12 | 12 | 16 | 25 | M4 | 5.5 | M5×12 | 15 | 11 |
| LSDU-02S | ステンレス(SUS304) | 15・25 | LWH15 | LS15AL | HSR15A・SRS25M | 32 | 38 | 30.5 | 18 | 12 | 12 | 16 | 25 | M4 | 5.5 | M5×12 | 15 | 11 |
| LSDU-03S | ステンレス(SUS304) | 15・20 | LWH20 | LH15AN・LS20AL・LS20AN | HSR20A | 32 | 45 | 35.0 | 18 | 12 | 12 | 16 | 25 | M5 | 5.5 | M5×12 | 20 | 13 |
| LSDU-04S | ステンレス(SUS304) | 25 | LWH25 | LS25AL・LH25AL | HSR25A | 32 | 50 | 40.0 | 23 | 12 | 12 | 18 | 32 | M5 | 6.6 | M6×12 | 20 | 13 |
| 型式 | 商品コード | 単位 |
価格 (円) |
基準納期 | |
|---|---|---|---|---|---|
| 日伝 | メーカー | ||||
| LSDU-01 | LSDU-01 | P | 1,990 | - | 在庫品 |
| LSDU-02 | LSDU-02 | P | 1,990 | - | 在庫品 |
| LSDU-03 | LSDU-03 | P | 2,130 | - | 在庫品 |
| LSDU-04 | LSDU-04 | P | 2,250 | - | 在庫品 |
| LSDU-05 | LSDU-05 | P | 2,680 | - | 在庫品 |
| LSDU-06 | LSDU-06 | P | 3,130 | - | 在庫品 |
| LSDU-01S | LSDU-01S | P | 3,190 | - | 在庫品 |
| LSDU-02S | LSDU-02S | P | 3,190 | - | 在庫品 |
| LSDU-03S | LSDU-03S | P | 3,340 | - | 在庫品 |
| LSDU-04S | LSDU-04S | P | 3,640 | - | 在庫品 |
製品についてのご質問やお困りごとなどお気軽にご相談ください!