共通仕様
| 材質/表面処理 | LSEU:鉄(SS400)/黒染め LSEU-S:ステンレス(SUS304) |
|---|---|
| 付属品 | LSEU:六角穴付ボルト(SCM435/黒染め) 2本、SBU ウレタン 1個 LSEU-S:六角穴付ボルト(SUSXM7) 2本、SBU ウレタン 1個 |
岩田製作所
| 材質/表面処理 | LSEU:鉄(SS400)/黒染め LSEU-S:ステンレス(SUS304) |
|---|---|
| 付属品 | LSEU:六角穴付ボルト(SCM435/黒染め) 2本、SBU ウレタン 1個 LSEU-S:六角穴付ボルト(SUSXM7) 2本、SBU ウレタン 1個 |
18件の型式
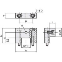
| 型式 | 材質/表面処理 | 対応サイズ | 対応シリーズ | W | H | A | S1 | S2 | P | T | M | D |
付属 ボルト |
D1 | L | ||
|---|---|---|---|---|---|---|---|---|---|---|---|---|---|---|---|---|---|
| IKO | NSK | THK | |||||||||||||||
| LSEU-01 | 鉄(SS400)/黒染め | 15 | - | - | SRS15M | 50 | 30 | 22.5 | 16 | 11 | 32 | 12 | M4 | 5.5 | M5×35 | 15 | 11 |
| LSEU-02 | 鉄(SS400)/黒染め | 15 | LWH15 | LS15AL | HSR15A | 50 | 38 | 30.5 | 16 | 16 | 32 | 12 | M4 | 5.5 | M5×40 | 15 | 11 |
| LSEU-03 | 鉄(SS400)/黒染め | 15 | - | LH15AN | - | 50 | 43 | 35.5 | 16 | 16 | 32 | 12 | M4 | 5.5 | M5×45 | 15 | 11 |
| LSEU-04 | 鉄(SS400)/黒染め | 20 | - | - | SRS20M | 50 | 35 | 25.0 | 21 | 12 | 32 | 12 | M5 | 5.5 | M5×40 | 20 | 13 |
| LSEU-05 | 鉄(SS400)/黒染め | 20 | LWH20 | LS20AL・LH20AN | HSR20A | 50 | 45 | 35.0 | 21 | 19 | 32 | 12 | M5 | 5.5 | M5×50 | 20 | 13 |
| LSEU-06 | 鉄(SS400)/黒染め | 25 | - | - | SRS25M | 50 | 40 | 30.0 | 24 | 16 | 36 | 16 | M5 | 6.6 | M6×45 | 20 | 13 |
| LSEU-07 | 鉄(SS400)/黒染め | 25 | LWH25 | LS25AL・LH25AL | HSR25A | 50 | 50 | 40.0 | 24 | 23 | 36 | 16 | M5 | 6.6 | M6×55 | 20 | 13 |
| LSEU-08 | 鉄(SS400)/黒染め | 30 | LWH30 | LS30AL・LH30AL | HSR30A | 65 | 57 | 44.5 | 29 | 27 | 45 | 16 | M5 | 9.0 | M8×60 | 25 | 13 |
| LSEU-09 | 鉄(SS400)/黒染め | 35 | LWH35 | LS35AL・LH35AL | HSR35A | 75 | 65 | 52.5 | 35 | 30 | 55 | 16 | M5 | 9.0 | M8×70 | 25 | 13 |
| LSEU-01S | ステンレス(SUS304) | 15 | - | - | SRS15M | 50 | 30 | 22.5 | 16 | 11 | 32 | 12 | M4 | 5.5 | M5×35 | 15 | 11 |
| 型式 | 商品コード | 単位 |
価格 (円) |
基準納期 | |
|---|---|---|---|---|---|
| 日伝 | メーカー | ||||
| LSEU-01 | LSEU-01 | P | 1,670 | - | 在庫品 |
| LSEU-02 | LSEU-02 | P | 1,670 | - | 在庫品 |
| LSEU-03 | LSEU-03 | P | 1,740 | - | 在庫品 |
| LSEU-04 | LSEU-04 | P | 1,740 | - | 在庫品 |
| LSEU-05 | LSEU-05 | P | 1,810 | - | 在庫品 |
| LSEU-06 | LSEU-06 | P | 2,060 | - | 在庫品 |
| LSEU-07 | LSEU-07 | P | 2,060 | - | 在庫品 |
| LSEU-08 | LSEU-08 | P | 2,360 | - | 在庫品 |
| LSEU-09 | LSEU-09 | P | 2,620 | - | 在庫品 |
| LSEU-01S | LSEU-01S | P | 2,500 | - | 在庫品 |
製品についてのご質問やお困りごとなどお気軽にご相談ください!