共通仕様
| 材質/表面処理 | LSFU:鉄(SS400)/黒染め LSFU-S:ステンレス(SUS304) |
|---|---|
| 付属品 | LSFU:六角穴付ボルト(SCM435/黒染め) 2本、SBU ウレタン 1個 LSFU-S:六角穴付ボルト(SUSXM7) 2本、SBU ウレタン 1個 |
岩田製作所
| 材質/表面処理 | LSFU:鉄(SS400)/黒染め LSFU-S:ステンレス(SUS304) |
|---|---|
| 付属品 | LSFU:六角穴付ボルト(SCM435/黒染め) 2本、SBU ウレタン 1個 LSFU-S:六角穴付ボルト(SUSXM7) 2本、SBU ウレタン 1個 |
14件の型式
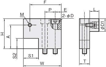
| 型式 | 材質/表面処理 | 対応サイズ | 対応シリーズ | W | H | A | E | F | S1 | S2 | P | T |
M (細目) |
D |
付属 ボルト |
D1 | L | ||
|---|---|---|---|---|---|---|---|---|---|---|---|---|---|---|---|---|---|---|---|
| IKO | NSK | THK | |||||||||||||||||
| LSFU-01 | 鉄(SS400)/黒染め | 15 | - | - | SRS15M | 44 | 30 | 22.5 | 7 | 36.5 | 15 | 11 | 16 | 12 | M4 | 5.5 | M5×35 | 15 | 11 |
| LSFU-02 | 鉄(SS400)/黒染め | 15・25 | LWH15 | LS15AL・LH15AN | HSR15A・SRS25M | 44 | 38 | 30.5 | 7 | 36.5 | 15 | 16 | 16 | 12 | M4 | 5.5 | M5×40 | 15 | 11 |
| LSFU-03 | 鉄(SS400)/黒染め | 20 | - | - | SRS20M | 44 | 35 | 25.0 | 7 | 34.0 | 17.5 | 12 | 12 | 12 | M5 | 5.5 | M5×40 | 20 | 13 |
| LSFU-04 | 鉄(SS400)/黒染め | 20 | LWH20 | LS20AL・LH20AN | HSR20A | 44 | 50 | 40.0 | 7 | 34.0 | 17.5 | 19 | 12 | 12 | M5 | 5.5 | M5×55 | 20 | 13 |
| LSFU-05 | 鉄(SS400)/黒染め | 25 | LWH25 | LS25AL・LH25AL | HSR25A | 44 | 50 | 40.0 | 7 | 34.0 | 19 | 23 | 12 | 16 | M5 | 6.6 | M6×55 | 20 | 13 |
| LSFU-06 | 鉄(SS400)/黒染め | 30 | LWH30 | LS30AL・LH30AL | HSR30A | 65 | 65 | 52.5 | 10 | 52.5 | 25 | 27 | 20 | 16 | M5 | 9.0 | M8×70 | 25 | 13 |
| LSFU-07 | 鉄(SS400)/黒染め | 35 | LWH35 | LS35AL・LH35AL | HSR35A | 65 | 65 | 52.5 | 10 | 52.5 | 28 | 30 | 20 | 16 | M5 | 9.0 | M8×70 | 25 | 13 |
| LSFU-01S | ステンレス(SUS304) | 15 | - | - | SRS15M | 44 | 30 | 22.5 | 7 | 36.5 | 15 | 11 | 16 | 12 | M4 | 5.5 | M5×35 | 15 | 11 |
| LSFU-02S | ステンレス(SUS304) | 15・25 | LWH15 | LS15AL・LH15AN | HSR15A・SRS25M | 44 | 38 | 30.5 | 7 | 36.5 | 15 | 16 | 16 | 12 | M4 | 5.5 | M5×40 | 15 | 11 |
| LSFU-03S | ステンレス(SUS304) | 20 | - | - | SRS20M | 44 | 35 | 25.0 | 7 | 34.0 | 17.5 | 12 | 12 | 12 | M5 | 5.5 | M5×40 | 20 | 13 |
| 型式 | 商品コード | 単位 |
価格 (円) |
基準納期 | |
|---|---|---|---|---|---|
| 日伝 | メーカー | ||||
| LSFU-01 | LSFU-01 | P | 1,740 | - | 在庫品 |
| LSFU-02 | LSFU-02 | P | 1,800 | - | 在庫品 |
| LSFU-03 | LSFU-03 | P | 1,870 | - | 在庫品 |
| LSFU-04 | LSFU-04 | P | 1,930 | - | 在庫品 |
| LSFU-05 | LSFU-05 | P | 2,060 | - | 在庫品 |
| LSFU-06 | LSFU-06 | P | 2,430 | - | 在庫品 |
| LSFU-07 | LSFU-07 | P | 2,430 | - | 在庫品 |
| LSFU-01S | LSFU-01S | P | 2,680 | - | 在庫品 |
| LSFU-02S | LSFU-02S | P | 2,940 | - | 在庫品 |
| LSFU-03S | LSFU-03S | P | 3,010 | - | 在庫品 |
製品についてのご質問やお困りごとなどお気軽にご相談ください!