共通仕様
| 材質/表面処理 | LSDN-U:鉄(SS400)/黒染め LSDN-S-U:ステンレス(SUS304) |
|---|---|
| 付属品 | LSDN-U:六角穴付ボルト(SCM435/黒染め) 2本、SBUH ウレタンボルト 1本 LSDN-S-U:六角穴付ボルト(SUSXM7) 2本、SBUH ウレタンボルト 1本 |
岩田製作所
| 材質/表面処理 | LSDN-U:鉄(SS400)/黒染め LSDN-S-U:ステンレス(SUS304) |
|---|---|
| 付属品 | LSDN-U:六角穴付ボルト(SCM435/黒染め) 2本、SBUH ウレタンボルト 1本 LSDN-S-U:六角穴付ボルト(SUSXM7) 2本、SBUH ウレタンボルト 1本 |
22件の型式
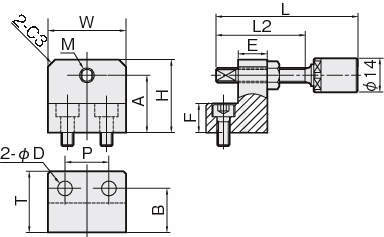
| 型式 | 材質/表面処理 | 対応サイズ | 対応シリーズ | W | H | A | B | E | F | P | T |
M (細目) |
L | L2 | D |
付属 ボルト |
||
|---|---|---|---|---|---|---|---|---|---|---|---|---|---|---|---|---|---|---|
| IKO | NSK | THK | ||||||||||||||||
| LSDN-01-U | 鉄(SS400)/黒染め | 15 | - | - | SRS15M | 32 | 30 | 23.5 | 18 | 12 | 12 | 16 | 25 | M6×P0.75 | 51 | 36.5 | 5.5 | M5×12 |
| LSDN-02-U | 鉄(SS400)/黒染め | 15 | LWH15 | LS15AL | HSR15A | 32 | 38 | 31.5 | 18 | 12 | 12 | 16 | 25 | M6×P0.75 | 51 | 36.5 | 5.5 | M5×12 |
| LSDN-03-U | 鉄(SS400)/黒染め | 15 | - | LH15AN | - | 32 | 43 | 35.5 | 18 | 12 | 12 | 16 | 25 | M6×P0.75 | 51 | 36.5 | 5.5 | M5×12 |
| LSDN-04-U | 鉄(SS400)/黒染め | 20 | - | - | SRS20M | 32 | 35 | 27.5 | 18 | 12 | 12 | 16 | 25 | M8×P1.0 | 61 | 47.5 | 5.5 | M5×12 |
| LSDN-05-U | 鉄(SS400)/黒染め | 20 | - | LS20AL | - | 32 | 43 | 35.5 | 18 | 12 | 12 | 16 | 25 | M8×P1.0 | 61 | 47.5 | 5.5 | M5×12 |
| LSDN-06-U | 鉄(SS400)/黒染め | 20 | LWH20 | LH20AN | HSR20A | 32 | 45 | 37.5 | 18 | 12 | 12 | 16 | 25 | M8×P1.0 | 61 | 47.5 | 5.5 | M5×12 |
| LSDN-07-U | 鉄(SS400)/黒染め | 25 | - | - | SRS25M | 32 | 40 | 32.5 | 23 | 12 | 12 | 18 | 32 | M8×P1.0 | 61 | 47.5 | 6.6 | M6×12 |
| LSDN-08-U | 鉄(SS400)/黒染め | 25 | - | LS25AL | - | 32 | 50 | 40.5 | 23 | 12 | 12 | 18 | 32 | M8×P1.0 | 61 | 47.5 | 6.6 | M6×12 |
| LSDN-09-U | 鉄(SS400)/黒染め | 25 | LWH25 | LH25AL | HSR25A | 32 | 50 | 43.5 | 23 | 12 | 12 | 18 | 32 | M8×P1.0 | 61 | 47.5 | 6.6 | M6×12 |
| LSDN-10-U | 鉄(SS400)/黒染め | 30 | LWH30 | LS30AL・LH30AL | HSR30A | 38 | 57 | 49.5 | 28 | 16 | 16 | 20 | 38 | M8×P1.0 | 61 | 47.5 | 9.0 | M8×16 |
| 型式 | 商品コード | 単位 |
価格 (円) |
基準納期 | |
|---|---|---|---|---|---|
| 日伝 | メーカー | ||||
| LSDN-01-U | LSDN-01-U | P | 2,540 | - | 在庫品 |
| LSDN-02-U | LSDN-02-U | P | 2,540 | - | 在庫品 |
| LSDN-03-U | LSDN-03-U | P | 2,610 | - | 在庫品 |
| LSDN-04-U | LSDN-04-U | P | 2,610 | - | 在庫品 |
| LSDN-05-U | LSDN-05-U | P | 2,680 | - | 在庫品 |
| LSDN-06-U | LSDN-06-U | P | 2,680 | - | 在庫品 |
| LSDN-07-U | LSDN-07-U | P | 2,680 | - | 在庫品 |
| LSDN-08-U | LSDN-08-U | P | 2,800 | - | 在庫品 |
| LSDN-09-U | LSDN-09-U | P | 2,800 | - | 在庫品 |
| LSDN-10-U | LSDN-10-U | P | 3,180 | - | 在庫品 |
製品についてのご質問やお困りごとなどお気軽にご相談ください!