共通仕様
| 材質/表面処理 | LSEN-U:鉄(SS400)/黒染め LSEN-S-U:ステンレス(SUS304) |
|---|---|
| 付属品 | LSEN-U:六角穴付ボルト(SCM435/黒染め) 2本、SBUH ウレタンボルト 1本 LSEN-S-U:六角穴付ボルト(SUSXM7) 2本、SBUH ウレタンボルト 1本 |
岩田製作所
| 材質/表面処理 | LSEN-U:鉄(SS400)/黒染め LSEN-S-U:ステンレス(SUS304) |
|---|---|
| 付属品 | LSEN-U:六角穴付ボルト(SCM435/黒染め) 2本、SBUH ウレタンボルト 1本 LSEN-S-U:六角穴付ボルト(SUSXM7) 2本、SBUH ウレタンボルト 1本 |
22件の型式
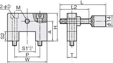
| 型式 | 材質/表面処理 | 対応サイズ | 対応シリーズ | W | H | A | S1 | S2 | P | T |
M (細目) |
L | L2 | D |
付属 ボルト |
||
|---|---|---|---|---|---|---|---|---|---|---|---|---|---|---|---|---|---|
| IKO | NSK | THK | |||||||||||||||
| LSEN-01-U | 鉄(SS400)/黒染め | 15 | - | - | SRS15M | 50 | 30 | 23.5 | 16 | 11 | 32 | 12 | M6×P0.75 | 51 | 36.5 | 5.5 | M5×35 |
| LSEN-02-U | 鉄(SS400)/黒染め | 15 | LWH15 | LS15AL | HSR15A | 50 | 38 | 31.5 | 16 | 16 | 32 | 12 | M6×P0.75 | 51 | 36.5 | 5.5 | M5×40 |
| LSEN-03-U | 鉄(SS400)/黒染め | 15 | - | LH15AN | - | 50 | 43 | 35.5 | 16 | 16 | 32 | 12 | M6×P0.75 | 51 | 36.5 | 5.5 | M5×45 |
| LSEN-04-U | 鉄(SS400)/黒染め | 20 | - | - | SRS20M | 50 | 35 | 27.5 | 21 | 12 | 32 | 12 | M8×P1.0 | 61 | 47.5 | 5.5 | M5×40 |
| LSEN-05-U | 鉄(SS400)/黒染め | 20 | - | LS20AL | - | 50 | 43 | 35.5 | 21 | 17 | 32 | 12 | M8×P1.0 | 61 | 47.5 | 5.5 | M5×45 |
| LSEN-06-U | 鉄(SS400)/黒染め | 20 | LWH20 | LH20AN | HSR20A | 50 | 45 | 37.5 | 21 | 19 | 32 | 12 | M8×P1.0 | 61 | 47.5 | 5.5 | M5×50 |
| LSEN-07-U | 鉄(SS400)/黒染め | 25 | - | - | SRS25M | 50 | 40 | 32.5 | 24 | 16 | 36 | 16 | M8×P1.0 | 61 | 47.5 | 6.6 | M6×45 |
| LSEN-08-U | 鉄(SS400)/黒染め | 25 | - | LS25AL | - | 50 | 50 | 40.5 | 24 | 23 | 36 | 16 | M8×P1.0 | 61 | 47.5 | 6.6 | M6×55 |
| LSEN-09-U | 鉄(SS400)/黒染め | 25 | LWH25 | LH25AL | HSR25A | 50 | 50 | 43.5 | 24 | 23 | 36 | 16 | M8×P1.0 | 61 | 47.5 | 6.6 | M6×55 |
| LSEN-10-U | 鉄(SS400)/黒染め | 30 | LWH30 | LS30AL・LH30AL | HSR30A | 65 | 57 | 49.5 | 29 | 27 | 45 | 16 | M8×P1.0 | 61 | 47.5 | 9.0 | M8×60 |
| 型式 | 商品コード | 単位 |
価格 (円) |
基準納期 | |
|---|---|---|---|---|---|
| 日伝 | メーカー | ||||
| LSEN-01-U | LSEN-01-U | P | 2,220 | - | 在庫品 |
| LSEN-02-U | LSEN-02-U | P | 2,220 | - | 在庫品 |
| LSEN-03-U | LSEN-03-U | P | 2,290 | - | 在庫品 |
| LSEN-04-U | LSEN-04-U | P | 2,290 | - | 在庫品 |
| LSEN-05-U | LSEN-05-U | P | 2,360 | - | 在庫品 |
| LSEN-06-U | LSEN-06-U | P | 2,360 | - | 在庫品 |
| LSEN-07-U | LSEN-07-U | P | 2,610 | - | 在庫品 |
| LSEN-08-U | LSEN-08-U | P | 2,610 | - | 在庫品 |
| LSEN-09-U | LSEN-09-U | P | 2,610 | - | 在庫品 |
| LSEN-10-U | LSEN-10-U | P | 2,860 | - | 在庫品 |
製品についてのご質問やお困りごとなどお気軽にご相談ください!