モノづくりの困ったを解決する総合サイト

Produced by

岩田製作所

リニアストッパー|ウレタンボルト付 LSY-N-U

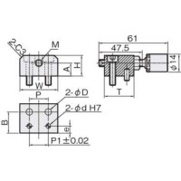
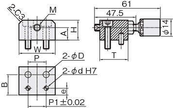
形状:1

  • 形状:1

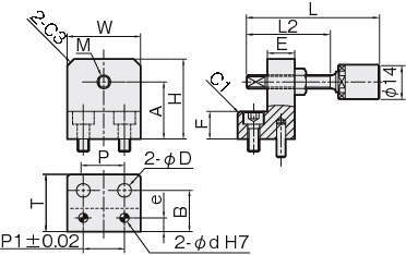
  • 形状:2

主要直動メーカーのガイドレールのストッパーを標準化

・金属同士の衝撃音を緩和するウレタンボルト付。
・先端のウレタン部が交換可能。
・位置決めに便利なノックピン付。

#リニアストッパー
#衝撃

共通仕様

材質/表面処理 LSY-N-U:鉄(SS400)/黒染め
LSY-SN-U:ステンレス(SUS304)
付属品 LSY-01N-U/03N-U/04N-U:六角穴付低頭ボルト(S45C/黒染め) 2本、ノックピンm6(SUJ2) 2本、SBUH ウレタンボルト 1本
LSY-02N-U/05N-U以上:六角穴付ボルト(SCM435/黒染め) 2本、ノックピンm6(SUJ2) 2本、SBUH ウレタンボルト 1本
LSY-01SN-U/03SN-U/04SN-U:六角穴付低頭ボルト(S45C/クロメートメッキ白色) 2本、ノックピンm6(SUJ2) 2本、SBUH ウレタンボルト 1本
LSY-02SN-U/05SN-U以上:六角穴付ボルト(SUSXM7) 2本、ノックピンm6(SUJ2) 2本、SBUH ウレタンボルト 1本

詳細仕様

  • 16件中 1-10件

  • 表示件数

16件の型式

型式 材質/表面処理 対応サイズ 対応シリーズ 形状 W H A B E F P P1 e T M
(細目)
L L2 D d 付属
IKO NSK THK ボルト ノックピン
LSY-01N-U 鉄(SS400)/黒染め 15 LWH15 LS15AL HSR15A 2 32 22 15.5 18 12 8 16 16 6 25 M6×P0.75 51 36.5 5.5 4×6 M5×12 4×10
LSY-02N-U 鉄(SS400)/黒染め 15・20 LWH20 LH15AN・LS20AL・LH20AN HSR20A 2 32 26 19.5 18 12 12 16 16 6 25 M6×P0.75 51 36.5 5.5 4×6 M5×12 4×10
LSY-03N-U 鉄(SS400)/黒染め 20 - - SRS20M 1 32 19 10.0 18 - - 16 16 6 25 M8×P1.0 - - 5.5 4×6 M5×20 4×10
LSY-04N-U 鉄(SS400)/黒染め 25 - - SRS25M 1 32 23 15.0 18 - - 18 18 6 25 M8×P1.0 - - 6.6 4×6 M6×25 4×10
LSY-05N-U 鉄(SS400)/黒染め 25 - LS25AL - 2 32 31 23.0 23 12 12 18 18 6 32 M8×P1.0 61 47.5 6.6 4×6 M6×12 4×10
LSY-06N-U 鉄(SS400)/黒染め 25 LWH25 LH25AL HSR25A 2 32 34 26.0 23 12 12 18 18 6 32 M8×P1.0 61 47.5 6.6 4×6 M6×12 4×10
LSY-07N-U 鉄(SS400)/黒染め 30 LWH30 LS30AL・LH30AL HSR30A 2 38 40 32.0 28 16 16 20 20 8 38 M8×P1.0 61 47.5 9.0 5×8 M8×16 5×12
LSY-08N-U 鉄(SS400)/黒染め 35 LWH35 LS35AL・LH35AL HSR35A 2 45 46 38.0 31 16 16 25 25 8 45 M8×P1.0 61 47.5 9.0 5×8 M8×16 5×12
LSY-01SN-U ステンレス(SUS304) 15 LWH15 LS15AL HSR15A 2 32 22 15.5 18 12 8 16 16 6 25 M6×P0.75 51 36.5 5.5 4×6 M5×12 4×10
LSY-02SN-U ステンレス(SUS304) 15・20 LWH20 LH15AN・LS20AL・LH20AN HSR20A 2 32 26 19.5 18 12 12 16 16 6 25 M6×P0.75 51 36.5 5.5 4×6 M5×12 4×10

型式 商品コード 単位 価格
(円)
基準納期
日伝 メーカー
LSY-01N-U LSY-01N-U P 2,730 - 在庫品
LSY-02N-U LSY-02N-U P 2,660 - 在庫品
LSY-03N-U LSY-03N-U P 2,420 - 在庫品
LSY-04N-U LSY-04N-U P 2,420 - 在庫品
LSY-05N-U LSY-05N-U P 2,930 - 在庫品
LSY-06N-U LSY-06N-U P 2,930 - 在庫品
LSY-07N-U LSY-07N-U P 3,750 - 在庫品
LSY-08N-U LSY-08N-U P 4,770 - 在庫品
LSY-01SN-U LSY-01SN-U P 3,230 - 在庫品
LSY-02SN-U LSY-02SN-U P 3,170 - 在庫品

この製品を見た人はこのような製品も見ています

1952年設立で、動力伝導機器・産業機器・制御機器等の機械設備及び機械器具関連製品の販売をしている専門総合商社です。
日本国内で40以上の拠点を持ち、信頼性の高い製品と技術力で、全国のものづくりに携わる方々のあらゆるお困りごとを解決しています。

Loading...