主要直動メーカーのガイドレールのストッパーを標準化
・ワークプレートの抜け止めや落下防止、暴走時のストッパーとしてお使いいただけます。
・ストッパーブロックと組み合わせ、簡易的な位置決めも可能。
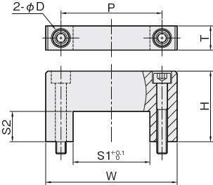
共通仕様
| 材質/表面処理 | LSM:鉄(SS400)/黒染め LSM-S:ステンレス(SUS304) |
|---|---|
| 付属品 | LSM:六角穴付ボルト(SCM435/黒染め) 2本 LSM-S:六角穴付ボルト(SUSXM7) 2本 |

