岩田製作所
リニアストッパー|取替用ウレタン SBUH-U
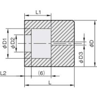
詳細仕様
1件の型式
| 型式 | D | L | D1 | D2 | D3 | L1 | L2 |
|---|---|---|---|---|---|---|---|
| SBUH-U | 14 | 15 | 9 | 5.2 | 1 | 8 | 2 |
| 型式 | 商品コード | 単位 |
価格 (円) |
基準納期 | |
|---|---|---|---|---|---|
| 日伝 | メーカー | ||||
| SBUH-U | SBUH-U | P | 140 | - | 在庫品 |
この製品を見た人はこのような製品も見ています
製品についてのご質問やお困りごとなどお気軽にご相談ください!
Loading...

