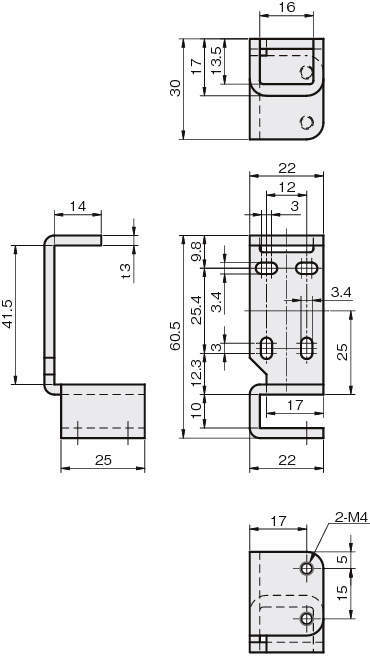
・相手側の穴加工を必要とせず、ボルトによるクランプで簡単に取り付けが可能です。
・板厚3.0mmの高剛性仕様です。
共通仕様
| 対応センサ | オプテックス・エフエー:Z オムロン:E3Z キーエンス:PZ SUNX:CX/EQ 山武:HPB |
|---|---|
| 材質 | ステンレス(SUS304) |
| 付属品 | センサ取付用ビス:セムスビス(SUSXM7)M3×12 2本 ブラケット固定用ボルト:六角ボルト(SUSXM7)M4×14 2本 |
岩田製作所
・相手側の穴加工を必要とせず、ボルトによるクランプで簡単に取り付けが可能です。
・板厚3.0mmの高剛性仕様です。
| 対応センサ | オプテックス・エフエー:Z オムロン:E3Z キーエンス:PZ SUNX:CX/EQ 山武:HPB |
|---|---|
| 材質 | ステンレス(SUS304) |
| 付属品 | センサ取付用ビス:セムスビス(SUSXM7)M3×12 2本 ブラケット固定用ボルト:六角ボルト(SUSXM7)M4×14 2本 |
1件の型式
| 型式 | 材質 |
板厚 t (mm) |
重量 (g) |
|---|---|---|---|
| FSCHL025-S | SUS304 | 3.0 | 56 |
| 型式 | 商品コード | 単位 |
価格 (円) |
基準納期 | |
|---|---|---|---|---|---|
| 日伝 | メーカー | ||||
| FSCHL025-S | FSCHL025-S | P | 1,300 | - | 在庫品 |
製品についてのご質問やお困りごとなどお気軽にご相談ください!