無電解ニッケルメッキ
-
無電解ニッケルメッキ
-
SUS304
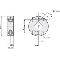
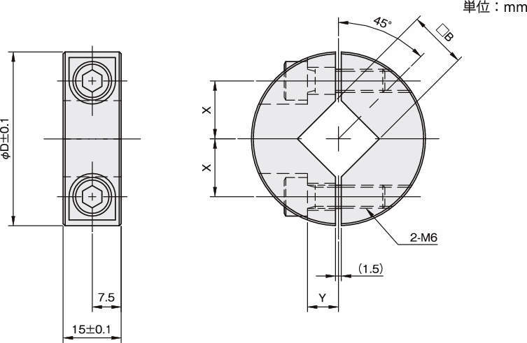
簡単に脱着可能なセパレートタイプ。
・機械の組立時やメンテナンス時に便利なセパレート構造のセットカラーです。
・スラスト力が強く、シャフトに傷が付きにくいタイプです。
・角シャフト、角パイプに取り付けることができます。
共通仕様
| 材質/表面処理 | SCSS-S-M:鉄(S45C)/無電解ニッケルメッキ SCSS-S-S:ステンレス(SUS304) |
|---|---|
| 付属品 | 六角穴付ボルト(SUSXM7)2本 |

