黒染め
-
黒染め
-
無電解ニッケルメッキ
-
SUS304
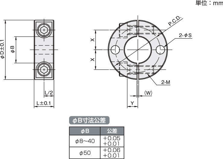
簡単に脱着可能なセパレートタイプ。
・セパレート構造により、車夫t後を傷つけることなく締付ができます。
・シャフト組み付け後の取り付け、取り外しも簡単にできます。
・端面の穴を利用してブラケットの取り付けや、セットカラーの固定ができます。
共通仕様
| 材質/表面処理 | SCSS-CP2:鉄(S45C)/黒染め SCSS-MP2:鉄(S45C)/無電解ニッケルメッキ SCSS-SP2:ステンレス(SUS304) |
|---|---|
| 付属品 | SCSS-CP2:六角穴付ボルト(黒染め)2本 SCSS-MP2:六角穴付ボルト(SUSXM7)2本 SCSS-SP2:六角穴付ボルト(SUSXM7)2本 |

