モノづくりの困ったを解決する総合サイト

Produced by

岩田製作所

カメラ・LED照明ブラケット|カメラブラケット CA-2タイプ FSCA-2

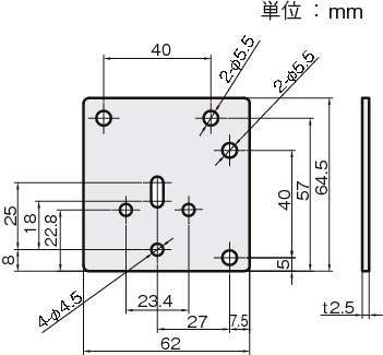
FSCA-2S

  • FSCA-2S

  • FSCA-2SB

■主要なカメラに合わせた取付金具を標準化。

■アタッチメント・ シャフトと組み合わせて自在な取付が可能です。

■反射を防ぐつや消し黒色仕様もラインアップ。

#カメラ用ブラケット

詳細仕様

  • 2件中 1-2件

  • 表示件数

2件の型式

型式 タイプ 材質 表面処理 質量
(g)
FSCA-2S FSCA-2 ステンレス(SUS304) - 70
FSCA-2SB FSCA-2 ステンレス(SUS304) 低温黒色クロムメッキ 70

型式 商品コード 単位 価格
(円)
基準納期
日伝 メーカー
FSCA-2S FSCA-2S P 1,050 - 在庫品
FSCA-2SB FSCA-2SB P 1,370 - 在庫品

この製品を見た人はこのような製品も見ています

1952年設立で、動力伝導機器・産業機器・制御機器等の機械設備及び機械器具関連製品の販売をしている専門総合商社です。
日本国内で40以上の拠点を持ち、信頼性の高い製品と技術力で、全国のものづくりに携わる方々のあらゆるお困りごとを解決しています。

Loading...