FSPLL
-
FSPLL
・当社センサレールと組み合わせ、位置検知などにご使用頂けます。
・取付時に便利な板ナットもご用意しております。
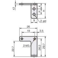
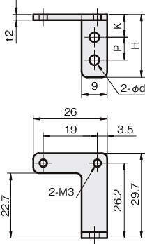
共通仕様
| 対応センサ | オムロン:EE-SX SUNX:PM |
|---|---|
| 材質 | ステンレス(SUS304) |
| 付属品 | センサ取付用ビス:セムスビス(SUSXM7)M3×6 2本、M3×10 2本 |
岩田製作所
FSPLL
FSPLL
・当社センサレールと組み合わせ、位置検知などにご使用頂けます。
・取付時に便利な板ナットもご用意しております。
| 対応センサ | オムロン:EE-SX SUNX:PM |
|---|---|
| 材質 | ステンレス(SUS304) |
| 付属品 | センサ取付用ビス:セムスビス(SUSXM7)M3×6 2本、M3×10 2本 |
2件の型式
| 型式 | 材質 | 取付ピッチ |
φd (mm) |
P (mm) |
K (mm) |
H (mm) |
板厚 t (mm) |
重量 (g) |
|---|---|---|---|---|---|---|---|---|
| FSPLL-03S | SUS304 | M3-8P | 3.4 | 8 | 8 | 22 | 2 | 13 |
| FSPLL-04S | SUS304 | M4-10P | 4.5 | 10 | 10 | 28 | 2 | 12 |
| 型式 | 商品コード | 単位 |
価格 (円) |
基準納期 | |
|---|---|---|---|---|---|
| 日伝 | メーカー | ||||
| FSPLL-03S | FSPLL-03S | P | 570 | - | - |
| FSPLL-04S | FSPLL-04S | P | 570 | - | - |
製品についてのご質問やお困りごとなどお気軽にご相談ください!