■光分散測定法で分子量4百万以上の超高分子量を持つポリエチレン(UHMWPE)で作られています。
・超高分子量ポリエチレンは耐化学薬品性、耐摩耗性、滑走性に優れ、また低温時でもこれらの機械特性の著しい低下がないなど、エンプラガイドレールに好ましい条件を備えています。
・さらには生化学的に構造欠陥がない安定した品質であることも大きな特長です。
■バージン材を使用し、品質の安定性に優れ、今日の高度な技術を要求される搬送ラインに最適なエンプラガイドレールです。
■注意事項
・樹脂部長さは1℃で1000mm当り0.2mm伸縮します。(在庫品の為、定寸長さの変位量が大きい場合があります。)
・伸縮を考慮の上、長穴等の取付けをしてください。
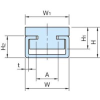
・レールとCチャンネルは、はめ込み構造です。必要に応じて抜け防止をしてください。
共通仕様
| レール | 超高分子量ポリエチレン(UHMWPE) グリーン |
|---|---|
| Cチャンネル | FC:スチール(SGHC) 亜鉛メッキ FC-SUS:SUS304 |

