医療関連に最適なホワイトをご用意
・光分散測定法で分子量4百万以上の超高分子量を持つポリエチレン(UHMWPE)で作られています。超高分子量ポリエチレンは耐化学薬品性、耐摩耗性、滑走性に優れ、また低温時でもこれらの機械特性の著しい低下がないなど、エンプラガイドレールに好ましい条件を備えています。さらには生化学的に構造欠陥がない安定した品質であることも大きな特長です。
・バージン材を使用し、品質の安定性に優れ、今日の高度な技術を要求される搬送ラインに最適なエンプラガイドレールです。
・RoHS指令適合製品です。
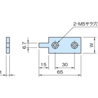
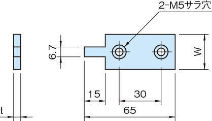
共通仕様
| 本体 | 超高分子量ポリエチレン(UHMWPE) ホワイト |
|---|

