GRL-S-V(スチール製)
-
GRL-S-V(スチール製)
-
GRL-SH-V(スチール製、焼入れ品)
-
GRL-V-SUS(SUS製)
重荷重仕様 キズに強い焼入れタイプもご用意
・各種スライド扉や搬送用のローラーに最適です。
・重荷重仕様です。
・レールは市販のミガキ六角鋼がご利用できます。
・焼入れ品は耐磨耗性があり、切り粉等の異物かみこみによる損傷を防止します。
・RoHS指令適合製品です。
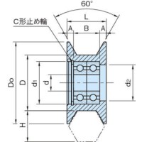
共通仕様
| 本体 | GRL-S-V:S45C 無電解ニッケルメッキ GRL-SH-V:SCM435 四三酸化鉄皮膜 HRC40~45 GRL-V-SUS:SUS303 |
|---|---|
| ベアリング | GRL:スチール GRL-SUS:SUS440C |
| 止め輪 | GRL:スチール GRL-SUS:SUS440C |

