共通仕様
| 本体 | S45C 四三酸化鉄被膜 |
|---|
イマオコーポレーション
| 本体 | S45C 四三酸化鉄被膜 |
|---|
3件の型式
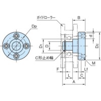
| 型式 |
D (g7) |
L | D1 | D2 | A | B | C | F | d | Lf | M | Dp |
質量 (g) |
|---|---|---|---|---|---|---|---|---|---|---|---|---|---|
| RLP0807F | 8 | 7 | 12 | 28 | 23 | 13.5 | 8 | 2.5 | 6.5 | 3.3 | M4×0.7(下穴3.5) | 19 | 40 |
| RLP1008F | 10 | 8 | 16 | 32 | 26 | 14.5 | 8 | 3.5 | 6.5 | 3.3 | M4×0.7(下穴3.5) | 23 | 60 |
| RLP1210F | 12 | 10 | 19 | 40 | 31 | 17.5 | 10 | 3.5 | 8 | 4.4 | M5×0.8(下穴4.3) | 28 | 110 |
| 型式 | 商品コード | 単位 |
価格 (円) |
基準納期 | |
|---|---|---|---|---|---|
| 日伝 | メーカー | ||||
| RLP0807F | RLP0807F | P | 1,850 | 在庫品 | 在庫品 |
| RLP1008F | RLP1008F | P | 1,960 | - | 在庫品 |
| RLP1210F | RLP1210F | P | 2,100 | 在庫品 | 在庫品 |
製品についてのご質問やお困りごとなどお気軽にご相談ください!