平ベルト用
・平ベルトの従動ローラーとしてご使用になれます。
・フランジ高さがベルト厚さよりも低いので、ローラーの上まで搬送ワークを通すことができます。
・ボールベアリングは止め輪で固定してあります。
・RoHS指令適合製品です。
共通仕様
| 本体 | S45C 無電解ニッケルメッキ |
|---|---|
| ベアリング・止め輪 | スチール |
イマオコーポレーション
・平ベルトの従動ローラーとしてご使用になれます。
・フランジ高さがベルト厚さよりも低いので、ローラーの上まで搬送ワークを通すことができます。
・ボールベアリングは止め輪で固定してあります。
・RoHS指令適合製品です。
| 本体 | S45C 無電解ニッケルメッキ |
|---|---|
| ベアリング・止め輪 | スチール |
8件の型式
| 型式 |
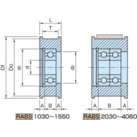
フランジ 高さ |
Do | Df | T | d | B | L | d1 | d2 | A |
ベアリング 型式 |
質量 (g) |
適用する アイドラー軸型式 |
|---|---|---|---|---|---|---|---|---|---|---|---|---|---|
| RABS1030 | 1.5 | 30 | 33 | 11 | 8 | 7 | 14 | 22 | 18 | 3.5 | 608ZZ | 55 | PID0807 |
| RABS1530 | 1.5 | 30 | 33 | 16 | 8 | 7 | 19 | 22 | 18 | 6 | 608ZZ | 70 | PID0807 |
| RABS1550 | 3 | 50 | 56 | 16 | 10 | 8 | 20 | 26 | 22 | 6 | 6000ZZ | 270 | PID1008タイプ |
| RABS2030 | 1.5 | 30 | 33 | 21 | 8 | 14 | 24 | 22 | 18 | 5 | 608ZZ×2 | 95 | RLB0814 |
| RABS2050 | 3 | 50 | 56 | 21 | 10 | 16 | 25 | 26 | 22 | 4.5 | 6000ZZ×2 | 340 | PID1016 |
| RABS2540 | 1.5 | 40 | 43 | 26 | 10 | 16 | 30 | 26 | 22 | 7 | 6000ZZ×2 | 225 | PID1016 |
| RABS2550 | 3 | 50 | 56 | 26 | 10 | 16 | 30 | 26 | 22 | 7 | 6000ZZ×2 | 400 | PID1016 |
| RABS4060 | 3 | 60 | 66 | 41 | 12 | 20 | 45 | 32 | 26 | 12.5 | 6201ZZ×2 | 840 | RLB1220 |
| 型式 | 商品コード | 単位 |
価格 (円) |
基準納期 | |
|---|---|---|---|---|---|
| 日伝 | メーカー | ||||
| RABS1030 | RABS1030 | P | 2,500 | - | 在庫品 |
| RABS1530 | RABS1530 | P | 3,200 | - | 在庫品 |
| RABS1550 | RABS1550 | P | 4,200 | - | 在庫品 |
| RABS2030 | RABS2030 | P | 3,800 | - | 在庫品 |
| RABS2050 | RABS2050 | P | 4,400 | 在庫品 | 在庫品 |
| RABS2540 | RABS2540 | P | 4,300 | - | 在庫品 |
| RABS2550 | RABS2550 | P | 4,900 | 在庫品 | 在庫品 |
| RABS4060 | RABS4060 | P | 6,000 | - | 在庫品 |
製品についてのご質問やお困りごとなどお気軽にご相談ください!