・RoHS指令適合製品です。
共通仕様
| 本体 | SNCM439 焼入焼戻 黒染め 研磨仕上 HRC50~54 |
|---|
イマオコーポレーション
・RoHS指令適合製品です。
| 本体 | SNCM439 焼入焼戻 黒染め 研磨仕上 HRC50~54 |
|---|
4件の型式
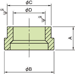
| 型式 |
適用フランジ シャンク |
A | B |
C (+0.04/+0.03) |
D |
質量 (g) |
|---|---|---|---|---|---|---|
| BB1-13 | BS1-13 | 12.1 | 25 | 20 | 13 | 20 |
| BB1-16 | BS1-16 | 12.1 | 28.6 | 22 | 16 | 20 |
| BB1-20 | BS1-20 | 17.1 | 32.2 | 28 | 20 | 50 |
| BB1-25 | BS1-25 | 21 | 40.2 | 35 | 25 | 80 |
| 型式 | 商品コード | 単位 |
価格 (円) |
基準納期 | |
|---|---|---|---|---|---|
| 日伝 | メーカー | ||||
| BB1-13 | BB1-13 | P | 8,800 | 在庫品 | 在庫品 |
| BB1-16 | BB1-16 | P | 8,800 | 在庫品 | 在庫品 |
| BB1-20 | BB1-20 | P | 9,000 | - | 在庫品 |
| BB1-25 | BB1-25 | P | 11,500 | - | 在庫品 |
製品についてのご質問やお困りごとなどお気軽にご相談ください!