共通仕様
| 本体 | S45C 無電解ニッケルメッキ |
|---|---|
| ベアリング | スチール |
| 止め輪 | スチール |
イマオコーポレーション
| 本体 | S45C 無電解ニッケルメッキ |
|---|---|
| ベアリング | スチール |
| 止め輪 | スチール |
3件の型式
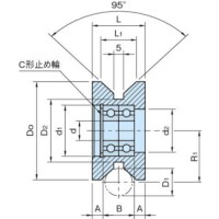
| 型式 | d | Do | D2 | d1 | d2 | L | L1 | D1 | R1 | A | B |
ベアリング 型式 |
質量 (g) |
適用する ローラーボルト |
||
|---|---|---|---|---|---|---|---|---|---|---|---|---|---|---|---|---|
| min | max | min | max | |||||||||||||
| GRL50S2-Y | 10 | 50 | 32 | 26 | 22 | 27 | 18.1 | 14 | 20 | 26.2 | 30.3 | 5.5 | 16 | 6000ZZ×2 | 260 | RLB1016 |
| GRL60S2-Y | 12 | 60 | 38 | 32 | 26 | 33 | 22.5 | 16 | 25 | 30.5 | 36.6 | 6.5 | 20 | 6201ZZ×2 | 450 | RLB1220 |
| GRL70S2-Y | 15 | 70 | 41 | 35 | 29 | 39 | 30.1 | 22 | 38 | 36.1 | 47.0 | 8.5 | 22 | 6202ZZ×2 | 670 | RLB1522 |
| 型式 | 商品コード | 単位 |
価格 (円) |
基準納期 | |
|---|---|---|---|---|---|
| 日伝 | メーカー | ||||
| GRL50S2-Y | GRL50S2-Y | P | 3,800 | 在庫品 | 在庫品 |
| GRL60S2-Y | GRL60S2-Y | P | 4,500 | 在庫品 | 在庫品 |
| GRL70S2-Y | GRL70S2-Y | P | 5,400 | 在庫品 | 在庫品 |
製品についてのご質問やお困りごとなどお気軽にご相談ください!