MR-S-F
-
MR-S-F
OKバイスから生まれた新しいコンセプトのクランプシステム
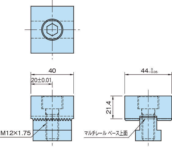
マルチレール用のストッパーです。
【OKバイスレールシステム特長】
・OKバイスから生まれた新しいコンセプトのクランプシステム。
・OKバイスとは、クサビの倍力作用により、強い締め付け力を発揮するクランプ部品です
■マルチレール
・ベース上にクランプ・ストッパー等を配置することで、様々なワークに対応できるクランプシステム
・豊富なアプリケーションからワークに合わせた最適なクランプ方法をお選びいただけます。
共通仕様
| 本体 | 工具鋼、窒化処理、研磨仕上 |
|---|---|
| Tナット、ボルト | スチール、四三酸化鉄皮膜 |

