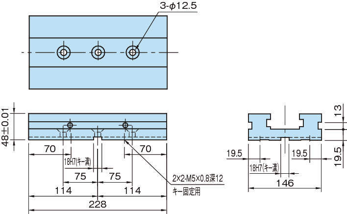
MVCM150EB
-
MVCM150EB
・マルチファンクションバイスの延長ベースとして組み替えてご使用ください。
・長物ワークへ対応できます。
【モジュラーバイスシステムの特長】
・多様化するワークサイズ及び形状に迅速且つフレキシブルに対応できます。
・バイスから汎用治具まで幅広い用途でご利用ください。
■モジュラー方式
・規格化された部品で構成されていますので、種々のクランプニーズにお応えできます。
・標準バイス、クランピングユニット、フィックスドユニット、ユニット取付けベースを単体で取り揃えており様々なワーク長さに対応できます。
■浮き上がり防止
・ワークの浮き上がりはワークを保持するジョーそのものが0.2mm沈み込む「プルダウン機能」により極小に抑えられます。
・クランプ時にトルク管理を行うことで同一締付け力が得られ、精度維持が可能ですので優れた加工精度が得られます。
■迅速なクランプ/交換
・クランピングユニットはクイックポジショニング機構によりクランピングスクリューを持ち上げスライドさせるだけでワーク位置までセットできます。
・部品の交換は迅速且つ簡単に行えます。
■薄型設計/信頼性
・薄型仕様ですので、機械のZ軸が最大限活用できます。
・フィックスドユニットは、剛性の高いワーク保持機能を発揮いたします。
共通仕様
| 本体 | スチール(SNCM420)、表面硬化、研磨仕上、四三酸化鉄皮膜、 HRC50~60 |
|---|---|
| 付属品 | フラットキー 2個 |

