モノづくりの困ったを解決する総合サイト

Produced by

イマオコーポレーション

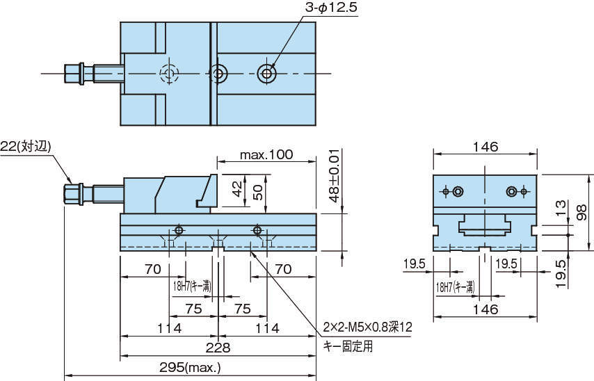
モジュラーバイスシステム|クランピングベース MVCM150CB

MVCM150CB

  • MVCM150CB

OKバイスから生まれた新しいコンセプトのクランプシステム

・フィックスドベースと対にしてご使用ください。
・バイス以外にも汎用治具部品的な要素でご使用できます。



【モジュラーバイスシステムの特長】
・多様化するワークサイズ及び形状に迅速且つフレキシブルに対応できます。
・バイスから汎用治具まで幅広い用途でご利用ください。

■モジュラー方式
・規格化された部品で構成されていますので、種々のクランプニーズにお応えできます。
・標準バイス、クランピングユニット、フィックスドユニット、ユニット取付けベースを単体で取り揃えており様々なワーク長さに対応できます。

■浮き上がり防止
・ワークの浮き上がりはワークを保持するジョーそのものが0.2mm沈み込む「プルダウン機能」により極小に抑えられます。
・クランプ時にトルク管理を行うことで同一締付け力が得られ、精度維持が可能ですので優れた加工精度が得られます。

■迅速なクランプ/交換
・クランピングユニットはクイックポジショニング機構によりクランピングスクリューを持ち上げスライドさせるだけでワーク位置までセットできます。
・部品の交換は迅速且つ簡単に行えます。

■薄型設計/信頼性
・薄型仕様ですので、機械のZ軸が最大限活用できます。
・フィックスドユニットは、剛性の高いワーク保持機能を発揮いたします。

#バイス&バキューム
#モジュラーバイスシステム
#標準治具

共通仕様

ベース、ムーバブルサポート スチール(SNCM420)、表面硬化、研磨仕上、四三酸化鉄皮膜、
HRC50~60
ジョー スチール(SNCM420)、表面硬化、研磨仕上、HRC50~60
付属品 フラットキー 2個、締付けレンチ 1個

CADメーカーTOP

詳細仕様

  • 1件中 1-1件

  • 表示件数

1件の型式

型式 質量
(kg)
MVCM150CB 15.1

型式 商品コード 単位 価格
(円)
基準納期
日伝 メーカー
MVCM150CB MVCM150CB P 283,000 - -

関連製品

この製品を見た人はこのような製品も見ています

1952年設立で、動力伝導機器・産業機器・制御機器等の機械設備及び機械器具関連製品の販売をしている専門総合商社です。
日本国内で40以上の拠点を持ち、信頼性の高い製品と技術力で、全国のものづくりに携わる方々のあらゆるお困りごとを解決しています。

Loading...