MCCB
-
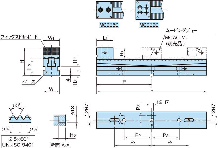
MCCB
・口金のワーク当て面は、基準面用と黒皮面用に取付け方向を切替えできます。
【マルチクランプバイスの特長】
・機械の停止時間及びセットアップ時間を短縮しその生産性を最大にするワーク多数個取り用バイスです。
【多数個取りが可能】
・MCの限られたスペースの中で一度に多数のワークがクランプできますので、機械の稼動率がアップし生産性が向上します。
・省スペース設計ですので並列、直列など様々な取付けができますので、MC・フライス盤はもとより研磨機等にもご利用できます。
【精密セレーションによるセットアップ】
・本体上面の精密セレーション加工と側面のスケールによりユニットは瞬時に任意の位置へセットアップできますので段取り替えの効率がアップします。
【作業し易いシングルクランピング仕様】
・1ユニットで1ワークをクランプするシングルクランピング仕様ですので段取り替えに苦慮しません。
・ワーク取り数に応じた最小限の部品で簡単に治具が構築できます。
【イケール、インデクサーによる多面加工が可能】
・横形MCのイケール、立形MCのインデクサーに取付けることによりワークの多面加工が可能となり高効率な生産ができます。
【パラレル クイックチェンジ】
・パラレル部品がワンタッチで取付けできますので、様々なワーク及び加工に迅速な対応ができます。
共通仕様
| ベース・フィックスドサポート | SNCM420、表面硬化、研磨仕上、四三酸化鉄皮膜、 HRC50~60 |
|---|---|
| 付属品 | ・ストッパー 1個 ・Tレンチ 1個 ・フラットキー(20×12×10) 2個 |

