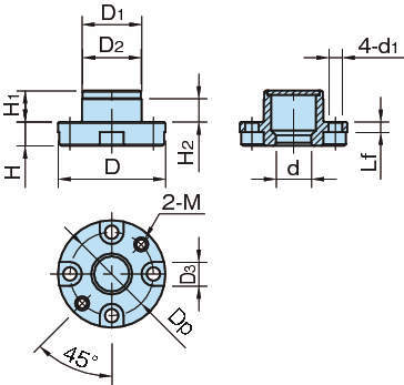
AMWF-BU
-
AMWF-BU
省エネ化が可能なエア駆動タイプ
・エアを供給すると、クサビが上がってボールのロックが解除され、アンロック状態になります。
・エアを排出するとスプリングの力でクサビが下がり、ボールを強く押し出してロケートブッシュを引き込みます。
・エアの無い場所でもクランプ状態を維持します。
・瞬時にクランプ、アンクランプの切り替えができるので、生産設備の段取り替え等に最適です。
・ボールが均等にせり出し、ロケートブッシュをセンタリングしながらクランプするため、高い繰り返し位置決め精度が得られます。
【フレックスロケーター特長】
・テーパーと着座面の二面拘束により「高精度な位置決め」と「簡単な交換作業」を両立します。
・省エネ化が可能なエア駆動タイプ。
共通仕様
| 本体 | S45C、無電解ニッケルメッキ |
|---|

