モノづくりの困ったを解決する総合サイト

Produced by

イマオコーポレーション

フレックスロケーター|エアフレックスロケーター(ロケートブッシュ) AMWF-BU

AMWF-BU

  • AMWF-BU

省エネ化が可能なエア駆動タイプ

・エアを供給すると、クサビが上がってボールのロックが解除され、アンロック状態になります。

・エアを排出するとスプリングの力でクサビが下がり、ボールを強く押し出してロケートブッシュを引き込みます。
・エアの無い場所でもクランプ状態を維持します。

・瞬時にクランプ、アンクランプの切り替えができるので、生産設備の段取り替え等に最適です。

・ボールが均等にせり出し、ロケートブッシュをセンタリングしながらクランプするため、高い繰り返し位置決め精度が得られます。



【フレックスロケーター特長】
・テーパーと着座面の二面拘束により「高精度な位置決め」と「簡単な交換作業」を両立します。
・省エネ化が可能なエア駆動タイプ。

#フレックスロケーター
#標準治具
#治具交換システム

共通仕様

本体 S45C、無電解ニッケルメッキ

CADメーカーTOP

詳細仕様

  • 2件中 1-2件

  • 表示件数

2件の型式

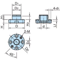
型式 D1
(g6)
H2 D2 H1 D H d
(E7)
d1 Lf D3 M Dp 質量
(g)
AMWF18-BU 20 7.5 19.6 10.5 36 8 12.1 4.5 3.5 8 M4×0.7 28 57
AMWF26-BU 25 7 24.6 11 44 9.5 16.1 5.5 4 9.5 M5×0.8 34 97

型式 商品コード 単位 価格
(円)
基準納期
日伝 メーカー
AMWF18-BU AMWF18-BU P 6,600 - 在庫品
AMWF26-BU AMWF26-BU P 7,100 在庫品 在庫品

関連製品

この製品を見た人はこのような製品も見ています

1952年設立で、動力伝導機器・産業機器・制御機器等の機械設備及び機械器具関連製品の販売をしている専門総合商社です。
日本国内で40以上の拠点を持ち、信頼性の高い製品と技術力で、全国のものづくりに携わる方々のあらゆるお困りごとを解決しています。

Loading...