正・逆両方向に使用可能
・構造と使用が簡単で、高い弾性により衝撃や振動を吸収します。
・騒音(接触する部品が無い)や汚染(潤滑油が無く磨耗が少ない)といった問題を恒久的に排除しランニングコストを削減します。
・汚れに強く、水と日光に高い耐性があります。
・RoHS指令適合製品です。
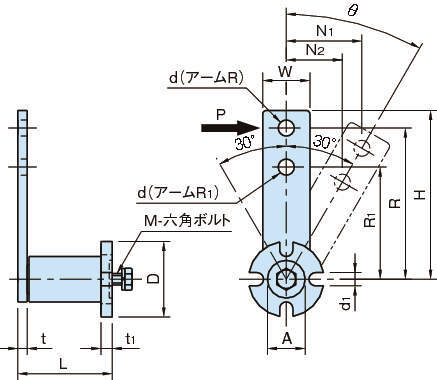
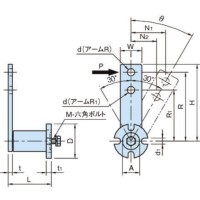
共通仕様
| 本体 | FCD400(TC-RE10:SMF4040) ハンマートーン塗装 グレー |
|---|---|
| アーム | SS400 ハンマートーン塗装 グレー |
| 弾性体 | 天然ゴム |
| 使用温度 | max.80℃ min.-40℃ |

