共通仕様
| 本体 | SCM440 黒染め |
|---|---|
| 耐熱温度 | max.204℃ |
| 付属品 | ボルト(取付済) 1本 取扱説明書 1式 |
イマオコーポレーション
| 本体 | SCM440 黒染め |
|---|---|
| 耐熱温度 | max.204℃ |
| 付属品 | ボルト(取付済) 1本 取扱説明書 1式 |
13件の型式
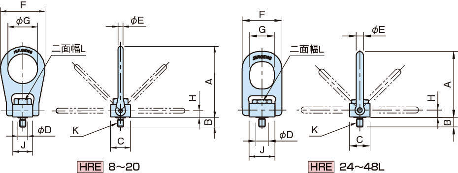
| 型式 | A | B | C | D | E | F | G | H | J | K |
許容荷重 (N) |
質量 (kg) |
|---|---|---|---|---|---|---|---|---|---|---|---|---|
| HRE8 | 91.3 | 12 | 25.4 | 12.7 | 6.3 | 57.2 | 38.1 | 8.7 | 25.4 | M8×1.25 | 3600 | 0.27 |
| HRE10 | 91.3 | 15 | 25.4 | 12.7 | 6.3 | 57.2 | 38.1 | 8.7 | 25.4 | M10×1.5 | 4000 | 0.27 |
| HRE12 | 161.9 | 18 | 38.1 | 25.4 | 19 | 112.7 | 76.2 | 14.3 | 50.8 | M12×1.75 | 9400 | 1.64 |
| HRE16 | 161.9 | 24 | 38.1 | 25.4 | 19 | 112.7 | 76.2 | 14.3 | 50.8 | M16×2 | 17000 | 1.64 |
| HRE20 | 161.9 | 30 | 38.1 | 25.4 | 19 | 112.7 | 76.2 | 14.3 | 50.8 | M20×2.5 | 19300 | 1.7 |
| HRE24 | 245.3 | 35.7 | 76.2 | 47.6 | 31.7 | 147.6 | 91.3 | 27 | 96 | M24×3 | 37800 | 7.1 |
| HRE24L | 245.3 | 47.6 | 76.2 | 47.6 | 31.7 | 147.6 | 91.3 | 27 | 96 | M24×3 | 37800 | 7.2 |
| HRE30 | 245.3 | 44.8 | 76.2 | 47.6 | 31.7 | 147.6 | 91.3 | 27 | 96 | M30×3.5 | 63000 | 7.3 |
| HRE30L | 245.3 | 60 | 76.2 | 47.6 | 31.7 | 147.6 | 91.3 | 27 | 96 | M30×3.5 | 63000 | 7.4 |
| HRE36 | 351.6 | 53.6 | 114.3 | 63.5 | 44.5 | 196.1 | 114.3 | 36.5 | 123.8 | M36×4 | 99000 | 19.1 |
| 型式 | 商品コード | 単位 |
価格 (円) |
基準納期 | |
|---|---|---|---|---|---|
| 日伝 | メーカー | ||||
| HRE8 | HRE8 | P | 17,400 | - | 在庫品 |
| HRE10 | HRE10 | P | 19,200 | - | 在庫品 |
| HRE12 | HRE12 | P | 22,100 | - | 在庫品 |
| HRE16 | HRE16 | P | 23,600 | - | 在庫品 |
| HRE20 | HRE20 | P | 25,000 | - | 在庫品 |
| HRE24 | HRE24 | P | 52,000 | - | 在庫品 |
| HRE24L | HRE24L | P | 52,000 | - | 30日間 |
| HRE30 | HRE30 | P | 78,000 | - | 在庫品 |
| HRE30L | HRE30L | P | 78,000 | - | 30日間 |
| HRE36 | HRE36 | P | 100,000 | - | 在庫品 |
製品についてのご質問やお困りごとなどお気軽にご相談ください!