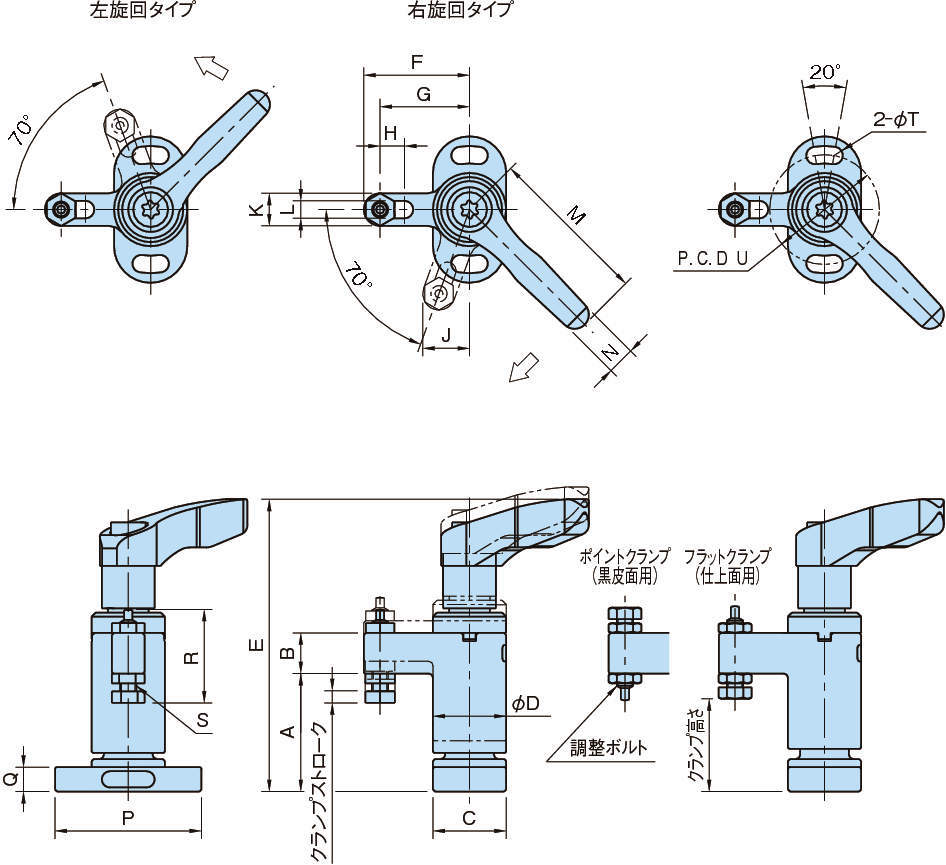
・クランプ機構がネジ式のため、カム式に比べクランプストロークが長くクランプ力がアップします。
・クランプレバーを使用したスイングクランプです。
・RoHS指令適合製品です。
【工具不要のレバー操作クランプ】
・ワンタッチクランプは、工具を必要としない、レバー操作でクランプ・アンクランプが可能なクランプです。
・工具レスにより着脱の操作時間を大幅に削減。特に、ワーク着脱が頻繁に発生する作業で威力を発揮し、段取り時間も大幅に削減。
・作業性・生産性の向上に貢献します。
共通仕様
| ボディ、ワッシャー、調整ボルト | S45C 焼入焼戻 四三酸化鉄皮膜 |
|---|---|
| フック | SCM440 焼入焼戻 四三酸化鉄皮膜 |
| レバー | ZDC1 塗装 |

