キャッチ(本体)
-
キャッチ(本体)
-
ボール
-
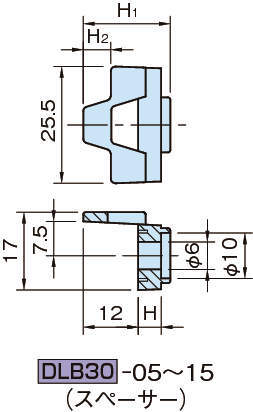
スペーサーDLB30-05
-
スペーサーDLB30-10
-
スペーサーDLB30-15
共通仕様
| 本体 | DLB30:ポリアセタールつや消しブラック |
|---|---|
| ボール | DLB30:ポリアミド(ガラス繊維強化)つや消しブラック |
| スペーサー | DLB30-05、DLB30-10、DLB30-15:ポリアセタールブラック |
| 使用温度 | max.60℃ min.-20℃ |

