QCOW
-
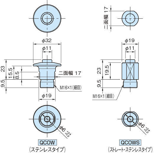
QCOW
-
QCOWS(ストレート)
ピンに押し込むだけのワンウェイタイプ
・ピンに押し込むだけのワンウェイタイプ
・4個のボールがクランプピンをくわえ込み、プレートが引き込まれます。
・RoHS指令適合製品です。
【ワンタッチ着脱】
■ボルトに代わる締結部品
・ボルトなし!手間なし!
■装置の段取り改善に
・ワンタッチ着脱とは、ボルトの代わりに使用する締結部品です。
・アタッチメントや治具の着脱などを工具を使わず素早く行えます。
共通仕様
| 本体 | SUS303 |
|---|---|
| ボタン | SUS303 |
| ボール | SUS440C |
| スプリング | SUS304WPB |
| Oリング | フッ素ゴム(FKM) |

