モノづくりの困ったを解決する総合サイト

Produced by

イマオコーポレーション

フレックスゼロベース|フレックスゼロベース CP180

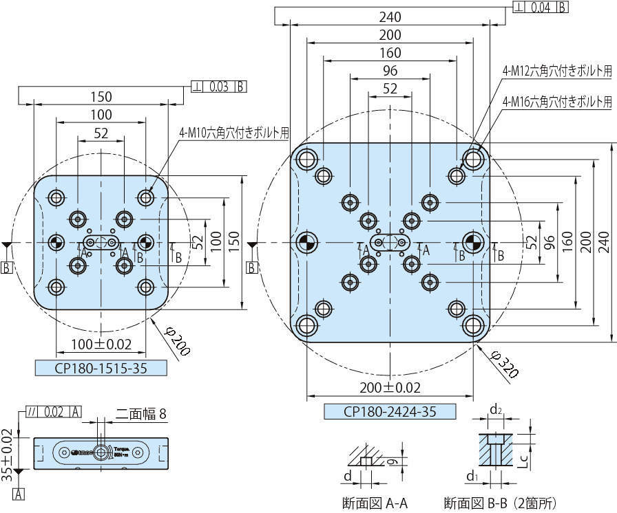
CP180-1515-35

  • CP180-1515-35

  • CP180-2424-35

【段取り時間大幅短縮!】一か所の操作でワークも治具も強力クランプ!

【1箇所の操作で4点をクランプ】
締め付け操作はベース側面の1箇所のみです。
従来のボルトを締め付ける作業と比べ、治具の段取り時間を大幅に短縮します。

【12kNのクランプ力 & 5μmの再現精度を実現】
強力なクランプ力により負荷の大きな加工でも安心です。
また高い再現精度により高精度の治具交換にも使用できます。

【2種類のサイズを用意】
サイズは150mm×150mm(直径φ200以内)と、
240mm×240mm(直径φ320以内)の2種類を用意。
マシンテーブルだけでなく、コンパクトなNCテーブルにもすっきり収まります。

【「センタリングクランプ」と合わせて使用可能】
センタリングクランプの底面にクランプボルトを取り付けて使用できます。
工具干渉エリアの少ない、5軸加工機に最適な治具システムとして運用できます。

#フレックスゼロベース
#標準治具
#治具交換システム

共通仕様

本体 S50C
イソナイト処理(軟窒化処理)
HV 400(有効深さ0.1mm)
スピンドル SCM440
四三酸化鉄皮膜
クランプシャフト S45C
四三酸化鉄皮膜
  • 引込み式治具交換ユニット

    加工で治具をお使いの際に、このようなことはありませんか?

    ・段取り替えの効率を上げたい

    ・負荷の大きな加工をする際に、クランプ力が足りない

    ・工具と治具が干渉するため、多方向から加工できない

    ワークも治具も強力クランプ!
    「フレックスゼロベース」

    治具の段取り時間を大幅に短縮する引込み式の治具交換ユニットです。

    ・「フレックスゼロベース」は、治具の段取り時間を大幅に短縮する引込み式の治具交換

     ユニットです。

    ・1箇所の締め付け操作のみで4点のクランプボルトを同時に引込むため、従来のボルト

     締めと比較して治具の交換を素早く行えます。

    ・また、5μmの繰り返し位置決め精度がありますので、高精度の治具位置決めが可能です。

    引込み方式により加工エリアを制限しない「フレックスゼロベース」

    ●工具干渉なく、5面加工が可能

    ・工具の干渉がなく、加工できない面がないので、加工工程を集約できます。
    ・同一工程で加工することで、加工精度が飛躍的に向上します。

    ●1箇所の操作で4点をクランプ

    ・締め付け操作はベース側面の1箇所のみです。
    ・従来のボルトを締め付ける作業と比べ、治具の段取り時間を大幅に短縮します。

    ●12kNのクランプ力 & 5μmの再現精度を実現

    ・強力なクランプ力により負荷の大きな加工も安心です。
    ・また高い再現精度により高精度の治具交換にも使用できます。

    ●2種類のサイズを用意

    ・サイズは150mm×150mm(直径Φ200以内)と、240mm×240mm(直径Φ320以内)の
     2種類を用意。
    ・マシンテーブルだけでなく、コンパクトなNCテーブルにもすっきり収まります。

    ●『センタリングクランプ』と合わせて使用可能

    ・センタリングクランプの底面にクランプボルトを取り付けて使用できます。
    ・工具干渉エリアの少ない、5軸加工機に最適な治具システムとして運用できます。

    ※センタリングクランプ:削り出し加工に適したバイス型クランプユニット。

CADメーカーTOP

詳細仕様

  • 2件中 1-2件

  • 表示件数

2件の型式

型式 d
(H9)
d1
(H9)
d2 Lc クランプ力
(kN)
許容締付
トルク
(N・m)
質量
(kg)
CP180-1515-35 12 12 18 11 12 50 5
CP180-2424-35 18 18 26 17.5 12 50 13.5

型式 商品コード 単位 価格
(円)
基準納期
日伝 メーカー
CP180-1515-35 CP180-1515-35 P 220,000 - 在庫品
CP180-2424-35 CP180-2424-35 P 290,000 - 在庫品

関連製品

この製品を見た人はこのような製品も見ています

1952年設立で、動力伝導機器・産業機器・制御機器等の機械設備及び機械器具関連製品の販売をしている専門総合商社です。
日本国内で40以上の拠点を持ち、信頼性の高い製品と技術力で、全国のものづくりに携わる方々のあらゆるお困りごとを解決しています。

Loading...