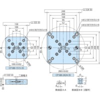
CP180-1515-35
-
CP180-1515-35
-
CP180-2424-35
-
【段取り時間大幅短縮!】一か所の操作でワークも治具も強力クランプ!
【1箇所の操作で4点をクランプ】
締め付け操作はベース側面の1箇所のみです。
従来のボルトを締め付ける作業と比べ、治具の段取り時間を大幅に短縮します。
【12kNのクランプ力 & 5μmの再現精度を実現】
強力なクランプ力により負荷の大きな加工でも安心です。
また高い再現精度により高精度の治具交換にも使用できます。
【2種類のサイズを用意】
サイズは150mm×150mm(直径φ200以内)と、
240mm×240mm(直径φ320以内)の2種類を用意。
マシンテーブルだけでなく、コンパクトなNCテーブルにもすっきり収まります。
【「センタリングクランプ」と合わせて使用可能】
センタリングクランプの底面にクランプボルトを取り付けて使用できます。
工具干渉エリアの少ない、5軸加工機に最適な治具システムとして運用できます。
共通仕様
| 本体 | S50C イソナイト処理(軟窒化処理) HV 400(有効深さ0.1mm) |
|---|---|
| スピンドル | SCM440 四三酸化鉄皮膜 |
| クランプシャフト | S45C 四三酸化鉄皮膜 |






