PSLC-L
-
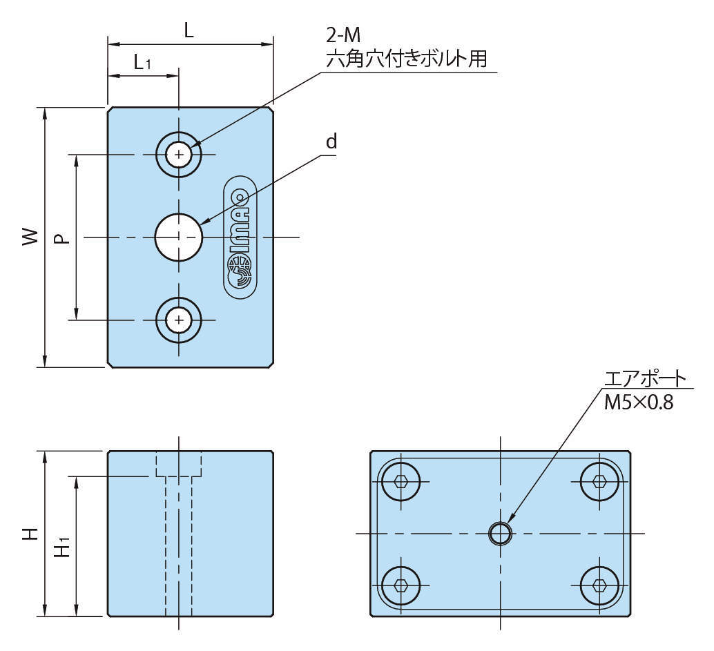
PSLC-L
シャフトロックの自動化に。低圧仕様もご用意。
・バネ圧によるクランプ、そしてエア圧によるアンクランプのため、エア漏れ等によるクランプ力の低下の心配がありません。
・エアによる遠隔操作、複数同時操作が可能です。
・コンパクト設計で、狭いスペースにも取り付けることができます。
・「PSLC-3L」低圧仕様は、0.3MPaからご使用いただけます。
【注意事項】
・クランプ・アンクランプ操作は、シャフトが停止した状態で行ってください。作動中のシャフトのブレーキとしてはご使用になれません。
・クランプ状態のシャフトを、無理に動かさないでください。
・シャフトが無い状態での頻繁な操作はおやめください。
・手動でのクランプ解除はできません。
・識別用サラモミ穴(φ3)は「PSLC-3L」「PSLC-5L」を外観で見分けるための目印です。
共通仕様
| 本体 | アルミ合金(A5052) アルマイト表面処理 |
|---|---|
| カバー | SUS304 |
| クランプシャフト | アルミ合金(A5052) アルマイト表面処理 |

