SWEFH
-
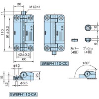
SWEFH
ヒンジとスイッチが一体に。扉の開閉で入・切できるスイッチ機能付き。
・ドアの誤開錠を感知したい場合などに使用できます。また機械や製造設備のセーフティードアなどに取付けての使用も可能です。
・ハウジングがポリアミド製のため、内部回路の二重絶縁が確実でアース接続が不要です。
・保護等級IP67適合
・製品材質は樹脂とSUSのため、頻繁な洗浄サイクルにさらされる環境でも使用可能です。
・ヒンジとスイッチ機能が一体のため、組付けが簡単です。
・IEC62061(SIL3)準拠、EN ISO 13849-1(PLe)準拠、EN954-1準拠のセキュリティーカテゴリ4までのシステムデザインが可能です。
・旋回角度:max.180°
・使用温度:max.80℃ min.-20℃
共通仕様
| 本体、カバー、ブッシュ | ポリアミド(ガラス繊維強化)つや消しブラック |
|---|---|
| ピン | ポリアミド(ガラス繊維強化)ブラック |
| セーフティ−プラグ | 熱可塑性エラストマー |

