LR-EN
-
LR-EN
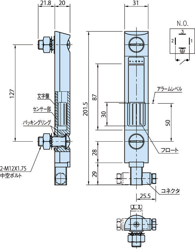
・2本のボルトを通ってインジケーターにオイルが入ります。
・樹脂材質は衝撃に強く、光で変色することもありません。
・オイル系をはじめ一般的化学薬品に耐抗性を備えています。
・レベル盤は取外しできますので、ご購入後にmax.、min.の印字ができます。
・フロントがカーブしているため、レンズ効果で文字が見易く、横からでも読取りできます。
・完全にシーリングされていますのでオイル漏れはありません。
・コネクタの向きは前面、左右対応。
・フロートにより、容易にオイルレベルを読取ることができます。
・液面が下がり磁気性のフロートがアラームレベルに達すると、センサーブラケットと反応し通電します。
・コネクタはシーリングされています。
・水タンクへのご使用は樹脂が吸水し膨張する為、避けてください。
・本商品は耐圧仕様ではありません。
・アルコール系の薬品、洗浄液の接触はお避けください。
・燐酸化物にご使用になる場合は、パッキンを適切なものに取替えてください。
・レベル盤に直接オイルが接触するような使い方は、捻じれ、変形が生じることがありますのでお止めください。
・インジケーターを磁気に近づけないでください。
・上向き(コネクタが下側)の状態でご使用ください。
共通仕様
| 本体 | 特殊透明ポリアミド |
|---|---|
| 文字盤 | アルミニウム(A3104) |
| ボルト | LR-127E:S10C亜鉛メッキ LR-127ES:SUM24L亜鉛メッキ |
| ナット | SPCC、亜鉛メッキ |
| フロート | 黒色ポリアミド(ガラス繊維強化) |
| センサーブラケット・コネクタ | 黒色ポリアミド(ガラス繊維強化) |
| Oリング | ニトリルゴム(NBR) |
| 使用温度 | max.90℃ min.-30℃ |
| 最大電圧 | DC200V |
| 最大電流 | 1.2A |
| 接点容量 | 10VA |
| コネクタ | 保護等級:IP65 ネジサイズ:PG7(ケーブル外径φ6、φ7用) |
| ケーブル導体断面積 | max.1.5mm2 |

