スチール製
-
スチール製
-
SUS製
・SUS製は耐食性・耐水性に優れています。
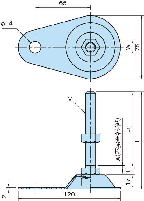
共通仕様
| パッド | KAF:SPCC 亜鉛三価クロメート KAF-SUS:SUS304 酸化(不動態)皮膜 |
|---|---|
| ネジ | KAF:SS400 亜鉛三価クロメート KAF-SUS:SUS304 酸化(不動態)皮膜 |
| ナット | KAF:SS400 亜鉛三価クロメート KAF-SUS:SUS304 |

